Главная > Подшипники> Шариковые> Упорные>51176-MP

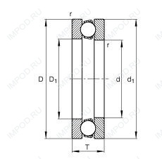
51176-MP — Подшипник шариковый упорный однонаправленный, импортное производство по ISO стандарту, размер 380x460x65 номер основного исполнения 51176.
Производитель: FAG.
P = Литой сепаратор из стеклонаполненного полиамида 6,6, центрируемый по телам качения.
Цена от:115 168 р.
Цена на подшипник зависит от:
Габаритные размеры
Размеры и геометрические характеристики
Нагрузка и ресурс
Присоединительные размеры
Подшипник упорный шариковый одинарный 8176Н
Подшипник упорный с цилиндрическими роликами одинарный однорядный 9176
Роликовый цилиндрический упорный подшипник 81176-MB (NKE)
Роликовый цилиндрический упорный подшипник 81176M (SKF)