Главная > Подшипники> Роликовые > Упорные>81134-TVPB

81134-TVPB — Упорный роликоподшипник, импортное производство по ISO стандарту, размер 170x215x34 номер основного исполнения 81134.
Производитель: NKE.
TVP = сегментный сепаратор, изготовленный из армированного стекловолокном полиамида PA66 направленная по роликам.
Цена от:14 274 р.
Цена на подшипник зависит от:
| Обозначение | Модификация |
|---|---|
| 81134 | Основное конструктивное исполнение. |
| 81134TN | TN = Полиамидная клетка. |
| 81134-TV | TV = Твердая клетка из армированного стекловолокном полиамида, шариковая езда. |
| GS 81134 | Свободное кольцо цилиндрического упорного роликоподшипника. |
| K81134TN | Игольчатый роликоподшипник без колец. TN = Полиамидная клетка. |
| K81134-TV | Игольчатый роликоподшипник без колец. TV = Твердая клетка из армированного стекловолокном полиамида, шариковая езда. |
| K 81134-MB | Игольчатый роликоподшипник без колец. MB = Обработанный латунный сепаратор с внутренним кольцом. |
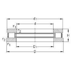
Габаритные размеры
Размеры и геометрические характеристики
Нагрузка и ресурс
Защита
Конструкция и исполнение
Подшипник шариковый упорный однонаправленный 51134 (CX, IBC, ISO, KOYO, NACHI)
Подшипник упорный шариковый одинарный 8134
Подшипник шариковый упорный однонаправленный 51134 MP (FAG, IBC, NKE)
Подшипник шариковый упорный однонаправленный 51134 X (IBC, NSK)
Подшипник упорный шариковый одинарный 4-8134 Л