Главная > Подшипники>79/670B

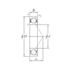
79/670B — Радиально-упорный шарикоподшипник, импортное производство по ISO стандарту, размер 670x900x103 номер основного исполнения .
Производитель: KOYO.
B = однокомпонентное ребристое внутреннее кольцо.
Цена по запросу
Цена на подшипник зависит от:
Габаритные размеры
Размеры и геометрические характеристики
Нагрузка и ресурс
Защита
Присоединительные размеры
Конструкция и исполнение
Подшипник роликовый упорный 2-76692/670 (ГПЗ-1)
Подшипник шариковый радиальный 619/670 (CX, ISO)
Радиальный шарикоподшипник 69/670 (NSK, NTN)