Главная > Подшипники> Шариковые> Радиальные>69/670

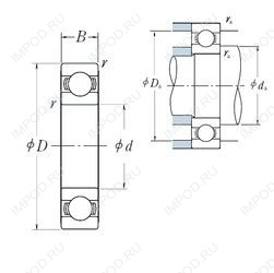
69/670 — Радиальный шарикоподшипник, импортное производство по ISO стандарту, размер 670x900x103 номер основного исполнения .
Производится брендами: NSK, NTN.
Цена по запросу
Цена на подшипник зависит от:
Габаритные размеры
Размеры и геометрические характеристики
Нагрузка и ресурс
Защита
Коэффициенты для расчета
Присоединительные размеры
Конструкция и исполнение
Подшипник роликовый упорный 2-76692/670 (ГПЗ-1)
Подшипник шариковый радиальный 619/670 (CX, ISO)
Радиально-упорный шарикоподшипник 79/670B (KOYO)