Главная > Подшипники> Шариковые> Радиально-упорные>7864A

7864A — Радиально-упорный шарикоподшипник, импортное производство по ISO стандарту, размер 320x400x38 номер основного исполнения 7864.
Производитель: NSK.
A = внутренняя модификация конструкции.
Цена по запросу
Цена на подшипник зависит от:
Габаритные размеры
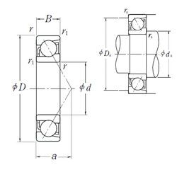
Размеры и геометрические характеристики
Нагрузка и ресурс
Защита
Присоединительные размеры
Конструкция и исполнение
Подшипник шариковый радиальный однорядный 1000864
Подшипник шариковый радиальный однорядный 1000864 Л
Подшипник шариковый радиальный однорядный 6-1000864 Л (ГПЗ-4)
Подшипник шариковый радиально-упорный однорядный с разъемным внутренним кольцом с четырехточечным контактом 6-1176864 Л1 (ГПЗ-4)
Подшипник однорядный шариковый радиальный 61864-M (FAG)
Подшипник однорядный шариковый радиальный 6864 (KOYO, NACHI, NIS, NSK, NTN)