Главная > Подшипники> Шариковые> Радиальные>61864-M

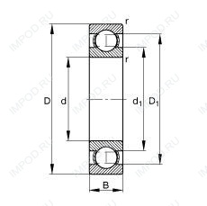
61864-M — Подшипник однорядный шариковый радиальный, импортное производство по ISO стандарту, размер 320x400x38 номер основного исполнения 61864.
Производитель: FAG.
M = массивный латунный сепаратор.
Цена от:31 125 р.
Цена на подшипник зависит от:
Габаритные размеры
Размеры и геометрические характеристики
Нагрузка и ресурс
Присоединительные размеры
Подшипник шариковый радиальный однорядный 1000864
Подшипник шариковый радиальный однорядный 1000864 Л
Подшипник шариковый радиальный однорядный 6-1000864 Л (ГПЗ-4)
Подшипник шариковый радиально-упорный однорядный с разъемным внутренним кольцом с четырехточечным контактом 6-1176864 Л1 (ГПЗ-4)
Подшипник однорядный шариковый радиальный 6864 (KOYO, NACHI, NIS, NSK, NTN)
Однорядный цилиндрический роликовый подшипник NCF1864 V (CX, ISO, NKE, NSK, SKF)