Главная > Подшипники> Шариковые> Упорные>7602070-TVP

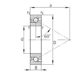
7602070-TVP — Осевой радиально-упорный шарикоподшипник, импортное производство по ISO стандарту, размер 70x125x24 номер основного исполнения .
Производитель: FAG.
TVP = сегментный сепаратор, изготовленный из армированного стекловолокном полиамида PA66 направленная по роликам.
Цена по запросу
Цена на подшипник зависит от:
Габаритные размеры
Размеры и геометрические характеристики
Нагрузка и ресурс
Защита
Присоединительные размеры
Конструкция и исполнение
Однорядный цилиндрический роликовый подшипник NJ214 (CRAFT, FBJ, ISB, ISO, KOYO)
Однорядный цилиндрический роликовый подшипник NU214 (CRAFT, FBJ, ISB, ISO, KOYO)
Подшипник шариковый радиальный 6-214 (ГПЗ-3)
Подшипник шариковый радиальный 4-214 (ГПЗ-3)
Подшипник роликовый сферический 20214 (FAG, ISO)
Подшипник шариковый радиальный сферический двухрядный с цилиндрическим отверстием внутреннего кольца 1214