Главная > Подшипники> Роликовые > Радиально-упорные>749AR/742

749AR/742 — Подшипник роликовый радиально-упорный, импортное производство по ISO стандарту, размер 82x150x44 номер основного исполнения .
Производитель: KOYO.
A = Модифицированная внутренняя конструкция. R = Наружное кольцо с фланцем.
Цена от:2 101 р.
Цена на подшипник зависит от:
Габаритные размеры
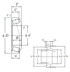
Размеры и геометрические характеристики
Нагрузка и ресурс
Защита
Коэффициенты для расчета
Присоединительные размеры
Конструкция и исполнение
Однорядный конический роликовый подшипник 4T-749A/742 (NTN)
Однорядный конический роликовый подшипник 749A/742 (AST, CX, FBJ, Fersa, ISO)
Подшипник роликовый радиально-упорный 750AR/742 (KOYO)
Однорядный конический роликовый подшипник 749A/743 (NIS, NSK)
Однорядный конический роликовый подшипник 750A/742 (CX, ISO, TIMKEN)