Главная > Подшипники> Роликовые > Радиально-упорные>749A/743

749A/743 — Однорядный конический роликовый подшипник, импортное производство по ISO стандарту, размер 82x150x44 номер основного исполнения .
Производится брендами: NIS, NSK.
A = внутренняя модификация конструкции.
Цена от:2 101 р.
Цена на подшипник зависит от:
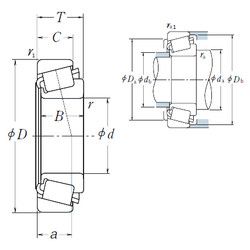
Габаритные размеры
Размеры и геометрические характеристики
Нагрузка и ресурс
Защита
Коэффициенты для расчета
Присоединительные размеры
Конструкция и исполнение
Прочие характеристики
Однорядный конический роликовый подшипник 4T-749A/742 (NTN)
Однорядный конический роликовый подшипник 749A/742 (AST, CX, FBJ, Fersa, ISO)
Подшипник роликовый радиально-упорный 750AR/742 (KOYO)
Однорядный конический роликовый подшипник 750A/742 (CX, ISO, TIMKEN)
Подшипник роликовый радиально-упорный 749AR/742 (KOYO)