Главная > Подшипники> Шариковые> Радиально-упорные>7410 ADF

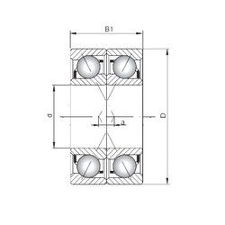
7410 ADF — Подшипник шариковый радиально-упорный, импортное производство по ISO стандарту, размер 50x130x62 номер основного исполнения 7410.
Производитель: ISO.
Комплект подшипников расположенных лицом к лицу, дуплексная Х-образная пара.
Цена от:4 397 р.
Цена на подшипник зависит от:
| Обозначение | Модификация |
|---|---|
| 7410 | Основное конструктивное исполнение. |
| 7410B | B = однокомпонентное ребристое внутреннее кольцо. |
| 7410BG | B = 40 градусов угол контакта. G = Однорядный радиально-упорный шарикоподшипник для универсального парного монтажа. Два подшипника, установленные по 0-образной или Х-образной схеме, будут иметь определенный осевой зазор в домонтажном состоянии. |
| 7410 A | A = внутренняя модификация конструкции. |
| 7410WN | W = Без кольцевой канавки и смазочных отверстий в наружном кольце. |
| 7410BDB | B = 40 градусов угол контакта. DB = два однорядных радиальных шарикоподшипника, однорядные радиально-упорные шарикоподшипники или однорядные конические роликовые подшипники, подходящие для монтажа в расположении друг за другом. |
| 7410 ADB | A = Модифицированная внутренняя конструкция. DB = два однорядных радиальных шарикоподшипника, однорядные радиально-упорные шарикоподшипники или однорядные конические роликовые подшипники, подходящие для монтажа в расположении друг к другу. |
| 7410 BDT | BD = Модифицированная внутренняя конструкция, угол контакта α = 30 градусов, без отверстия для заполнения. |
| 7410 ADT | T = Механически обработанный сепаратор из текстолита, центрируемый по телам качения. |
| 7410 BDF | B = 40 градусов угол контакта. DF = Два однорядных радиальных шарикоподшипника, однорядных радиально-упорных шарикоподшипника или однорядных конических роликоподшипника, согласованные для монтажа по Х-образной схеме. |
| 7410 BCBM | B = 40 градусов угол контакта. CB = подшипник для универсального соответствия. Два подшипника, расположенные друг за другом или лицом к лицу, будут иметь нормальный осевой внутренний зазор перед монтажом. |
| 7410 B-UO | B = однокомпонентное ребристое внутреннее кольцо. |
| 7410 A-UO | A = внутренняя модификация конструкции. |
| 7410 A-UX | A = внутренняя модификация конструкции. |
| 7410 A-UD | A = внутренняя модификация конструкции. |
| 7410 B-UD | D = профиль наружного кольца, усовершенствованный, с увеличенной зоной несущей нагрузки и оптимизированными краевыми переходами. |
| 7410 B-UX | X = Внешние размеры, соответствующие международным стандартам. |
| 7410 BGAM | B = 40 градусов угол контакта. G = Однорядный радиально-упорный шарикоподшипник для универсального парного монтажа. Два подшипника, установленные по 0-образной или Х-образной схеме, будут иметь определенный осевой зазор в домонтажном состоянии. |
| 7410 B.MP | B = 40 градусов угол контакта. M = обработанный латунный сепаратор, расположенныйна элементах качения. |
| 7410 B.MP.UA | B = 40 градусов угол контакта. MP = Цельный латунный сепаратор оконного типа с штампованными или протянутыми карманами, центрируемый по внутреннему или наружному кольцу. U = Самоустанавливающиеся шарикоподшипники серий 115 и 116 без втулки. A = Модифицированная внутренняя конструкция. |
| 7410 B.MP.UO | B = 40 градусов угол контакта. M = обработанный латунный сепаратор, расположенныйна элементах качения. |
Габаритные размеры
Размеры и геометрические характеристики
Защита
Присоединительные размеры
Конструкция и исполнение