Главная > Подшипники> Шариковые> Радиально-упорные>7314 BEGAM

7314 BEGAM — однорядный радиально-упорный шарикоподшипник, импортное производство по ISO стандарту, размер 150x70x35 номер основного исполнения 7314.
Производитель: SKF.
G = Однорядный радиально-упорный шарикоподшипник для универсального парного монтажа. Два подшипника, установленные по 0-образной или Х-образной схеме, будут иметь определенный осевой зазор в домонтажном состоянии.
Цена от:6 630 р.
Цена на подшипник зависит от:
| Обозначение | Модификация |
|---|---|
| 7314 | Основное конструктивное исполнение. |
| 7314C | С = Необслуживаемые концы стержней, внутренняя резьба. |
| 7314 B | B = однокомпонентное ребристое внутреннее кольцо. |
| 7314 A | A = внутренняя модификация конструкции. |
| 7314DT | T = Механически обработанный сепаратор из текстолита, центрируемый по телам качения. |
| 7314DB | D = профиль наружного кольца, усовершенствованный, с увеличенной зоной несущей нагрузки и оптимизированными краевыми переходами. |
| 7314BG | B = 40 градусов угол контакта. G = Однорядный радиально-упорный шарикоподшипник для универсального парного монтажа. Два подшипника, установленные по 0-образной или Х-образной схеме, будут иметь определенный осевой зазор в домонтажном состоянии. |
| 7314DF | Комплект подшипников расположенных лицом к лицу, дуплексная Х-образная пара. |
| 7314AC | AC = Угол контакта 25 градусов. |
| 7314WN | W = Без кольцевой канавки и смазочных отверстий в наружном кольце. |
| 7314BGM | B = 40 градусов угол контакта. G = Однорядный радиально-упорный шарикоподшипник для универсального парного монтажа. Два подшипника, установленные по 0-образной или Х-образной схеме, будут иметь определенный осевой зазор в домонтажном состоянии. |
| 7314BEA | A = внутренняя модификация конструкции. |
| 7314BDT | BD = Модифицированная внутренняя конструкция, угол контакта α = 30 градусов, без отверстия для заполнения. |
| 7314BGA | B = 40 градусов угол контакта. G = Однорядный радиально-упорный шарикоподшипник для универсального парного монтажа. Два подшипника, установленные по 0-образной или Х-образной схеме, будут иметь определенный осевой зазор в домонтажном состоянии. |
| 7314BDB | B = 40 градусов угол контакта. DB = два однорядных радиальных шарикоподшипника, однорядные радиально-упорные шарикоподшипники или однорядные конические роликовые подшипники, подходящие для монтажа в расположении друг за другом. |
| 7314 BEP | Радиально-упорный шарикоподшипник с угол контакта - 40. Оптимизированная внутренняя конструкция. Сепаратор армирован стекловолокном с шаровым центром. |
| 7314 CDT | С = Необслуживаемые концы стержней, внутренняя резьба. |
| 7314 ADB | A = Модифицированная внутренняя конструкция. DB = два однорядных радиальных шарикоподшипника, однорядные радиально-упорные шарикоподшипники или однорядные конические роликовые подшипники, подходящие для монтажа в расположении друг к другу. |
| 7314 BDF | B = 40 градусов угол контакта. DF = Два однорядных радиальных шарикоподшипника, однорядных радиально-упорных шарикоподшипника или однорядных конических роликоподшипника, согласованные для монтажа по Х-образной схеме. |
| 7314 CDB | С = Необслуживаемые концы стержней, внутренняя резьба. |
| 7314 ADT | T = Механически обработанный сепаратор из текстолита, центрируемый по телам качения. |
| 7314DTBT | ТВ = текстолитовый сепаратор, центрируемый по внутреннему кольцу. |
| 7314 ADF | Комплект подшипников расположенных лицом к лицу, дуплексная Х-образная пара. |
| 7314 CDF | Комплект подшипников расположенных лицом к лицу, дуплексная Х-образная пара. |
| 7314 C-UO | С = Необслуживаемые концы стержней, внутренняя резьба. |
| 7314 A-UD | A = внутренняя модификация конструкции. |
| 7314 C-UD | С = Необслуживаемые концы стержней, внутренняя резьба. |
| 7314 B-UX | X = Внешние размеры, соответствующие международным стандартам. |
| 7314 A-UO | A = внутренняя модификация конструкции. |
| 7314 C-UX | С = Необслуживаемые концы стержней, внутренняя резьба. |
| 7314 B.JP | B = однокомпонентное ребристое внутреннее кольцо. |
| 7314 A-UX | A = внутренняя модификация конструкции. |
| 7314 B.MP | B = 40 градусов угол контакта. M = обработанный латунный сепаратор, расположенныйна элементах качения. |
| 7314 B-UD | D = профиль наружного кольца, усовершенствованный, с увеличенной зоной несущей нагрузки и оптимизированными краевыми переходами. |
| 7314 B-UO | B = однокомпонентное ребристое внутреннее кольцо. |
| 7314 BECBM | B = 40 градусов угол контакта. M = обработанный латунный сепаратор, расположенныйна элементах качения. |
| 7314 BECBY | ЕС = эксцентриковый фиксатор воротника с утопленным внутренним кольцом на одной стороне. |
| 7314 BEGAF | A = внутренняя модификация конструкции. |
| 7314 BEGBY | Y = Штампованный латунный сепаратор, центрируемый по телам качения. |
| 7314-BE-MP | Радиально-упорный шарикоподшипник с углом контакта 40. Оптимизированная внутренняя конструкция. Обработанный латунный сепаратор центрируемый по шарику. |
| 7314 BECBJ | BE = однорядный радиально-упорный шарикоподшипник с углом контакта 40 градусов и оптимизированной внутренней конструкцией. CB = подшипник для универсального соответствия. Два подшипника, расположенные друг за другом или лицом к лицу, будут иметь нормальный осевой внутренний зазор перед монтажом. J = Прессованный стальной сепаратор оконного типа, сферическая по центру. |
| 7314BECBPH | ЕС = эксцентриковый фиксатор воротника с утопленным внутренним кольцом на одной стороне. |
| 7314 BEGAJ | A = Модифицированная внутренняя конструкция. J = Штампованный стальной сепаратор, центрируемый по роликам. |
| 7314 BEGAP | Радиально-упорный шарикоподшипник с углом контакта 40. Оптимизированная внутренняя конструкция. Подшипник для универсального сопряжения. Два подшипника, расположенных вплотную друг к другу или лицом к лицу, имеют небольшой предварительный натяг. Сепаратор армирован стекловолокном. |
| 7314-B-TVP | TVP = сегментный сепаратор, изготовленный из армированного стекловолокном полиамида PA66 направленная по роликам. |
| 7314BEGAPH | Однорядный радиально-упорный шарикоподшипник с углом контакта - 40. Оптимизирована внутренняя конструкция. Подшипник для универсального сопряжения, по схеме спина к спине или лицо к лицу, перед монтажом будут иметь предварительный натяг. Сепаратор оконного типа, отлитый под давлением из PEEK, с центрированием по шарику. |
| 7314 BEGAY | BE = однорядный радиально-упорный шарикоподшипник с углом контакта 40 градусов и оптимизированной внутренней конструкцией. GA = Однорядный радиально-упорный шарикоподшипник для универсального соответствия. Два подшипника, расположенные друг за другом или лицом к лицу, будут иметь легкую предварительную нагрузку. Y = (Сегментный тип клетки, код Y) = штампованная латунный сепаратор с центром на элементах качения. |
| 7314 BECAP | ECA (тип сегмента клетки, код M) = усиленный роликовый каркас, цельный латунный сепаратор с механической обработкой, двойной зуб, удерживающие фланцы на внутреннем кольце, направляющее кольцо по центру на внутреннем кольце. |
| 7314 BECBP | ЕС = эксцентриковый фиксатор воротника с утопленным внутренним кольцом на одной стороне. |
| 7314-BE-TVP | E = Увеличенная грузоподъемность. TVP = (сегментная сепаратор, код P) = сплошная оконная сепаратор из армированного стекловолокном полиамида PA66. Катание на роликах. |
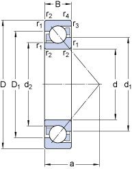
Габаритные размеры
Размеры и геометрические характеристики
Нагрузка и ресурс
Коэффициенты для расчета
Присоединительные размеры
Прочие характеристики
Однорядный цилиндрический роликовый подшипник N314 ECM (FAG, SKF)
Подшипник однорядный шариковый радиальный 6314 2RS1 (NSK, SKF)
Однорядный цилиндрический роликовый подшипник NJ314 ECJ (FAG, SKF)
Подшипник роликовый сферический 21314 E (SKF)
Подшипник однорядный шариковый радиальный 6314 M (SKF)
однорядный радиальный шарикоподшипник INSOCOAT 6314 M/C3VL0241 (SKF)