Главная > Подшипники> Шариковые> Радиально-упорные>7312 BECBPH

7312 BECBPH — однорядный радиально-упорный шарикоподшипник, импортное производство по ISO стандарту, размер 130x60x31 номер основного исполнения 7312.
Производитель: SKF.
ЕС = эксцентриковый фиксатор воротника с утопленным внутренним кольцом на одной стороне.
Цена от:1 982 р.
Цена на подшипник зависит от:
| Обозначение | Модификация |
|---|---|
| 7312 | Основное конструктивное исполнение. |
| 7312AC | AC = Угол контакта 25 градусов. |
| 7312BP | B = однокомпонентное ребристое внутреннее кольцо. |
| 7312DB | D = профиль наружного кольца, усовершенствованный, с увеличенной зоной несущей нагрузки и оптимизированными краевыми переходами. |
| 7312AM | A = внутренняя модификация конструкции. |
| 7312WN | W = Без кольцевой канавки и смазочных отверстий в наружном кольце. |
| 7312DF | Комплект подшипников расположенных лицом к лицу, дуплексная Х-образная пара. |
| 7312BA | A = внутренняя модификация конструкции. |
| 7312BG | B = 40 градусов угол контакта. G = Однорядный радиально-упорный шарикоподшипник для универсального парного монтажа. Два подшипника, установленные по 0-образной или Х-образной схеме, будут иметь определенный осевой зазор в домонтажном состоянии. |
| 7312 C | С = Необслуживаемые концы стержней, внутренняя резьба. |
| 7312DT | T = Механически обработанный сепаратор из текстолита, центрируемый по телам качения. |
| 7312AP | A = внутренняя модификация конструкции. |
| 7312 A | A = внутренняя модификация конструкции. |
| 7312 B | B = однокомпонентное ребристое внутреннее кольцо. |
| 7312BBG | B = 40 градусов угол контакта. G = Однорядный радиально-упорный шарикоподшипник для универсального парного монтажа. Два подшипника, установленные по 0-образной или Х-образной схеме, будут иметь определенный осевой зазор в домонтажном состоянии. |
| 7312BEA | A = внутренняя модификация конструкции. |
| 7312BGA | B = 40 градусов угол контакта. G = Однорядный радиально-упорный шарикоподшипник для универсального парного монтажа. Два подшипника, установленные по 0-образной или Х-образной схеме, будут иметь определенный осевой зазор в домонтажном состоянии. |
| 7312BEP | Радиально-упорный шарикоподшипник с угол контакта - 40. Оптимизированная внутренняя конструкция. Сепаратор армирован стекловолокном с шаровым центром. |
| 7312BDF | B = 40 градусов угол контакта. DF = Два однорядных радиальных шарикоподшипника, однорядных радиально-упорных шарикоподшипника или однорядных конических роликоподшипника, согласованные для монтажа по Х-образной схеме. |
| 7312BGM | B = 40 градусов угол контакта. G = Однорядный радиально-упорный шарикоподшипник для универсального парного монтажа. Два подшипника, установленные по 0-образной или Х-образной схеме, будут иметь определенный осевой зазор в домонтажном состоянии. |
| 7312 CDB | С = Необслуживаемые концы стержней, внутренняя резьба. |
| 7312 ADT | T = Механически обработанный сепаратор из текстолита, центрируемый по телам качения. |
| 7312 CDF | Комплект подшипников расположенных лицом к лицу, дуплексная Х-образная пара. |
| 7312 ADF | Комплект подшипников расположенных лицом к лицу, дуплексная Х-образная пара. |
| 7312 ADB | A = Модифицированная внутренняя конструкция. DB = два однорядных радиальных шарикоподшипника, однорядные радиально-упорные шарикоподшипники или однорядные конические роликовые подшипники, подходящие для монтажа в расположении друг к другу. |
| 7312 CDT | С = Необслуживаемые концы стержней, внутренняя резьба. |
| 7312 BDT | BD = Модифицированная внутренняя конструкция, угол контакта α = 30 градусов, без отверстия для заполнения. |
| 7312 BDB | B = 40 градусов угол контакта. DB = два однорядных радиальных шарикоподшипника, однорядные радиально-упорные шарикоподшипники или однорядные конические роликовые подшипники, подходящие для монтажа в расположении друг за другом. |
| 7312 BWG | B = 40 градусов угол контакта. W = стальной сепаратор. G = универсальный монтаж. |
| 7312 C-UX | С = Необслуживаемые концы стержней, внутренняя резьба. |
| 7312 B-UX | X = Внешние размеры, соответствующие международным стандартам. |
| 7312 A-UD | A = внутренняя модификация конструкции. |
| 7312 C-UO | С = Необслуживаемые концы стержней, внутренняя резьба. |
| 7312 A-UX | A = внутренняя модификация конструкции. |
| 7312 B-UD | D = профиль наружного кольца, усовершенствованный, с увеличенной зоной несущей нагрузки и оптимизированными краевыми переходами. |
| 7312 A-UO | A = внутренняя модификация конструкции. |
| 7312 B.JP | B = однокомпонентное ребристое внутреннее кольцо. |
| 7312 B.MP | B = 40 градусов угол контакта. M = обработанный латунный сепаратор, расположенныйна элементах качения. |
| 7312 C-UD | С = Необслуживаемые концы стержней, внутренняя резьба. |
| 7312 B-UO | B = однокомпонентное ребристое внутреннее кольцо. |
| 7312 BEGBP | G = Однорядный радиально-упорный шарикоподшипник для универсального парного монтажа. Два подшипника, установленные по 0-образной или Х-образной схеме, будут иметь определенный осевой зазор в домонтажном состоянии. |
| 7312 BECBP | ЕС = эксцентриковый фиксатор воротника с утопленным внутренним кольцом на одной стороне. |
| 7312 BEGBM | B = 40 градусов угол контакта. M = обработанный латунный сепаратор, расположенныйна элементах качения. |
| 7312 BECAP | ECA (тип сегмента клетки, код M) = усиленный роликовый каркас, цельный латунный сепаратор с механической обработкой, двойной зуб, удерживающие фланцы на внутреннем кольце, направляющее кольцо по центру на внутреннем кольце. |
| 7312 BEGAY | BE = однорядный радиально-упорный шарикоподшипник с углом контакта 40 градусов и оптимизированной внутренней конструкцией. GA = Однорядный радиально-упорный шарикоподшипник для универсального соответствия. Два подшипника, расположенные друг за другом или лицом к лицу, будут иметь легкую предварительную нагрузку. Y = (Сегментный тип клетки, код Y) = штампованная латунный сепаратор с центром на элементах качения. |
| 7312 BECBY | ЕС = эксцентриковый фиксатор воротника с утопленным внутренним кольцом на одной стороне. |
| 7312 BEGAP | Радиально-упорный шарикоподшипник с углом контакта 40. Оптимизированная внутренняя конструкция. Подшипник для универсального сопряжения. Два подшипника, расположенных вплотную друг к другу или лицом к лицу, имеют небольшой предварительный натяг. Сепаратор армирован стекловолокном. |
| 7312 BEGAM | A = внутренняя модификация конструкции. |
| 7312 BEGBY | Y = Штампованный латунный сепаратор, центрируемый по телам качения. |
| 7312 BECCM | Радиальный сферический роликоподшипник исполнения С с улучшенным ведением роликов и, благодаря этому, сниженным потерям на трение. |
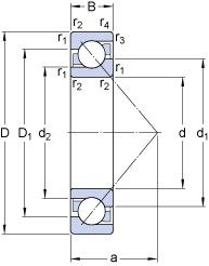
Габаритные размеры
Размеры и геометрические характеристики
Нагрузка и ресурс
Коэффициенты для расчета
Присоединительные размеры
Прочие характеристики
Однорядный цилиндрический роликовый подшипник NU312 ECJ (FAG, SKF)
Однорядный цилиндрический роликовый подшипник NU312 ECM (FAG, SKF)
Подшипник однорядный шариковый радиальный 6312 (AST, CRAFT, CX, CYSD, FAG)
Подшипник однорядный шариковый радиальный 6312 2RS1 (FAG, SKF)
Подшипник однорядный шариковый радиальный 6312 M (FAG, SKF)
Однорядный цилиндрический роликовый подшипник NUP312 ECP (NKE, SKF)