Главная > Подшипники> Шариковые> Радиально-упорные>7312AP

7312AP — Радиально-упорный шарикоподшипник, импортное производство по ISO стандарту, размер 60x130x31 номер основного исполнения 7312.
Производитель: MPZ.
P = Литой сепаратор из стеклонаполненного полиамида 6,6, центрируемый по телам качения.
Цена от:1 785 р.
Цена на подшипник зависит от:
| Обозначение | Модификация |
|---|---|
| 7312 | Основное конструктивное исполнение. |
| 7312DT | T = Механически обработанный сепаратор из текстолита, центрируемый по телам качения. |
| 7312 A | A = внутренняя модификация конструкции. |
| 7312 B | B = однокомпонентное ребристое внутреннее кольцо. |
| 7312AC | AC = Угол контакта 25 градусов. |
| 7312BP | B = однокомпонентное ребристое внутреннее кольцо. |
| 7312AM | A = внутренняя модификация конструкции. |
| 7312DB | D = профиль наружного кольца, усовершенствованный, с увеличенной зоной несущей нагрузки и оптимизированными краевыми переходами. |
| 7312WN | W = Без кольцевой канавки и смазочных отверстий в наружном кольце. |
| 7312DF | Комплект подшипников расположенных лицом к лицу, дуплексная Х-образная пара. |
| 7312BA | A = внутренняя модификация конструкции. |
| 7312BG | B = 40 градусов угол контакта. G = Однорядный радиально-упорный шарикоподшипник для универсального парного монтажа. Два подшипника, установленные по 0-образной или Х-образной схеме, будут иметь определенный осевой зазор в домонтажном состоянии. |
| 7312 C | С = Необслуживаемые концы стержней, внутренняя резьба. |
| 7312BBG | B = 40 градусов угол контакта. G = Однорядный радиально-упорный шарикоподшипник для универсального парного монтажа. Два подшипника, установленные по 0-образной или Х-образной схеме, будут иметь определенный осевой зазор в домонтажном состоянии. |
| 7312BEA | A = внутренняя модификация конструкции. |
| 7312BGA | B = 40 градусов угол контакта. G = Однорядный радиально-упорный шарикоподшипник для универсального парного монтажа. Два подшипника, установленные по 0-образной или Х-образной схеме, будут иметь определенный осевой зазор в домонтажном состоянии. |
| 7312BEP | Радиально-упорный шарикоподшипник с угол контакта - 40. Оптимизированная внутренняя конструкция. Сепаратор армирован стекловолокном с шаровым центром. |
| 7312BDF | B = 40 градусов угол контакта. DF = Два однорядных радиальных шарикоподшипника, однорядных радиально-упорных шарикоподшипника или однорядных конических роликоподшипника, согласованные для монтажа по Х-образной схеме. |
| 7312BGM | B = 40 градусов угол контакта. G = Однорядный радиально-упорный шарикоподшипник для универсального парного монтажа. Два подшипника, установленные по 0-образной или Х-образной схеме, будут иметь определенный осевой зазор в домонтажном состоянии. |
| 7312 BDT | BD = Модифицированная внутренняя конструкция, угол контакта α = 30 градусов, без отверстия для заполнения. |
| 7312 BDB | B = 40 градусов угол контакта. DB = два однорядных радиальных шарикоподшипника, однорядные радиально-упорные шарикоподшипники или однорядные конические роликовые подшипники, подходящие для монтажа в расположении друг за другом. |
| 7312 BWG | B = 40 градусов угол контакта. W = стальной сепаратор. G = универсальный монтаж. |
| 7312 CDB | С = Необслуживаемые концы стержней, внутренняя резьба. |
| 7312 ADT | T = Механически обработанный сепаратор из текстолита, центрируемый по телам качения. |
| 7312 ADF | Комплект подшипников расположенных лицом к лицу, дуплексная Х-образная пара. |
| 7312 CDF | Комплект подшипников расположенных лицом к лицу, дуплексная Х-образная пара. |
| 7312 ADB | A = Модифицированная внутренняя конструкция. DB = два однорядных радиальных шарикоподшипника, однорядные радиально-упорные шарикоподшипники или однорядные конические роликовые подшипники, подходящие для монтажа в расположении друг к другу. |
| 7312 CDT | С = Необслуживаемые концы стержней, внутренняя резьба. |
| 7312 C-UD | С = Необслуживаемые концы стержней, внутренняя резьба. |
| 7312 B-UO | B = однокомпонентное ребристое внутреннее кольцо. |
| 7312 C-UX | С = Необслуживаемые концы стержней, внутренняя резьба. |
| 7312 B-UX | X = Внешние размеры, соответствующие международным стандартам. |
| 7312 A-UD | A = внутренняя модификация конструкции. |
| 7312 C-UO | С = Необслуживаемые концы стержней, внутренняя резьба. |
| 7312 A-UX | A = внутренняя модификация конструкции. |
| 7312 B-UD | D = профиль наружного кольца, усовершенствованный, с увеличенной зоной несущей нагрузки и оптимизированными краевыми переходами. |
| 7312 A-UO | A = внутренняя модификация конструкции. |
| 7312 B.JP | B = однокомпонентное ребристое внутреннее кольцо. |
| 7312 B.MP | B = 40 градусов угол контакта. M = обработанный латунный сепаратор, расположенныйна элементах качения. |
| 7312 B.TVP | TVP = сегментный сепаратор, изготовленный из армированного стекловолокном полиамида PA66 направленная по роликам. |
| 7312 BECBM | B = 40 градусов угол контакта. M = обработанный латунный сепаратор, расположенныйна элементах качения. |
| 7312-BE-MP | Радиально-упорный шарикоподшипник с углом контакта 40. Оптимизированная внутренняя конструкция. Обработанный латунный сепаратор центрируемый по шарику. |
| 7312 BECBJ | BE = однорядный радиально-упорный шарикоподшипник с углом контакта 40 градусов и оптимизированной внутренней конструкцией. CB = подшипник для универсального соответствия. Два подшипника, расположенные друг за другом или лицом к лицу, будут иметь нормальный осевой внутренний зазор перед монтажом. J = Прессованный стальной сепаратор оконного типа, сферическая по центру. |
| 7312 BEGBP | G = Однорядный радиально-упорный шарикоподшипник для универсального парного монтажа. Два подшипника, установленные по 0-образной или Х-образной схеме, будут иметь определенный осевой зазор в домонтажном состоянии. |
| 7312 BECBP | ЕС = эксцентриковый фиксатор воротника с утопленным внутренним кольцом на одной стороне. |
| 7312 BECAP | ECA (тип сегмента клетки, код M) = усиленный роликовый каркас, цельный латунный сепаратор с механической обработкой, двойной зуб, удерживающие фланцы на внутреннем кольце, направляющее кольцо по центру на внутреннем кольце. |
| 7312 BEGBM | B = 40 градусов угол контакта. M = обработанный латунный сепаратор, расположенныйна элементах качения. |
| 7312 BEGAY | BE = однорядный радиально-упорный шарикоподшипник с углом контакта 40 градусов и оптимизированной внутренней конструкцией. GA = Однорядный радиально-упорный шарикоподшипник для универсального соответствия. Два подшипника, расположенные друг за другом или лицом к лицу, будут иметь легкую предварительную нагрузку. Y = (Сегментный тип клетки, код Y) = штампованная латунный сепаратор с центром на элементах качения. |
| 7312 BECBY | ЕС = эксцентриковый фиксатор воротника с утопленным внутренним кольцом на одной стороне. |
| 7312 BEGAP | Радиально-упорный шарикоподшипник с углом контакта 40. Оптимизированная внутренняя конструкция. Подшипник для универсального сопряжения. Два подшипника, расположенных вплотную друг к другу или лицом к лицу, имеют небольшой предварительный натяг. Сепаратор армирован стекловолокном. |
| Техника | Модель | Агрегат |
|---|---|---|
| Комбайн | КПИ-2.4 | Измельчитель/редуктор конический |
| Комбайн | КСК-100А-А1 | Редуктор/валы. шестерни |
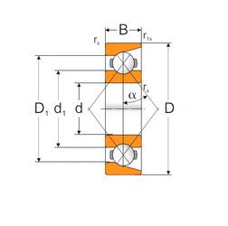
Габаритные размеры
Размеры и геометрические характеристики
Нагрузка и ресурс
Защита
Конструкция и исполнение
Однорядный цилиндрический роликовый подшипник NU312 (CRAFT, FAG, FBJ, ISB, ISO)
Однорядный цилиндрический роликовый подшипник NJ312 (CRAFT, FAG, FBJ, ISB, ISO)
Подшипник роликовый радиально-упорный 32312
Подшипник роликовый сферический 20312 (FAG, ISO)
Подшипник роликовый сферический 21312 (IBC, ISB, NTN)