Главная > Однорядные >7306 B (ISO)

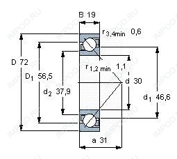
7306 B (ISO) — импортное производство по ISO стандарту, размер 30x72x19 номер основного исполнения 7306.
Производитель: NSK.
S = смазочный паз и три отверстия в наружном кольце подшипника.
Цена от:758 р.
Цена на подшипник зависит от:
| Обозначение | Модификация |
|---|---|
| 7306 | Основное конструктивное исполнение. |
| 7306C | С = Необслуживаемые концы стержней, внутренняя резьба. |
| 7306B | B = однокомпонентное ребристое внутреннее кольцо. |
| 7306DB | D = профиль наружного кольца, усовершенствованный, с увеличенной зоной несущей нагрузки и оптимизированными краевыми переходами. |
| 7306 A | A = внутренняя модификация конструкции. |
| 7306DF | Комплект подшипников расположенных лицом к лицу, дуплексная Х-образная пара. |
| 7306WN | W = Без кольцевой канавки и смазочных отверстий в наружном кольце. |
| S7306B | B = однокомпонентное ребристое внутреннее кольцо. |
| 7306AC | AC = Угол контакта 25 градусов. |
| 7306DT | T = Механически обработанный сепаратор из текстолита, центрируемый по телам качения. |
| 7306BG | B = 40 градусов угол контакта. G = Однорядный радиально-упорный шарикоподшипник для универсального парного монтажа. Два подшипника, установленные по 0-образной или Х-образной схеме, будут иметь определенный осевой зазор в домонтажном состоянии. |
| 7306BEP | Радиально-упорный шарикоподшипник с угол контакта - 40. Оптимизированная внутренняя конструкция. Сепаратор армирован стекловолокном с шаровым центром. |
| 7306BEA | A = внутренняя модификация конструкции. |
| 7306BGA | B = 40 градусов угол контакта. G = Однорядный радиально-упорный шарикоподшипник для универсального парного монтажа. Два подшипника, установленные по 0-образной или Х-образной схеме, будут иметь определенный осевой зазор в домонтажном состоянии. |
| 7306CDB | С = Необслуживаемые концы стержней, внутренняя резьба. |
| 7306 BDT | BD = Модифицированная внутренняя конструкция, угол контакта α = 30 градусов, без отверстия для заполнения. |
| 7306 ADB | A = Модифицированная внутренняя конструкция. DB = два однорядных радиальных шарикоподшипника, однорядные радиально-упорные шарикоподшипники или однорядные конические роликовые подшипники, подходящие для монтажа в расположении друг к другу. |
| 7306 BDF | B = 40 градусов угол контакта. DF = Два однорядных радиальных шарикоподшипника, однорядных радиально-упорных шарикоподшипника или однорядных конических роликоподшипника, согласованные для монтажа по Х-образной схеме. |
| 7306 BDB | B = 40 градусов угол контакта. DB = два однорядных радиальных шарикоподшипника, однорядные радиально-упорные шарикоподшипники или однорядные конические роликовые подшипники, подходящие для монтажа в расположении друг за другом. |
| 7306 ADF | Комплект подшипников расположенных лицом к лицу, дуплексная Х-образная пара. |
| 7306 CDF | Комплект подшипников расположенных лицом к лицу, дуплексная Х-образная пара. |
| 7306 CDT | С = Необслуживаемые концы стержней, внутренняя резьба. |
| 7306 ADT | T = Механически обработанный сепаратор из текстолита, центрируемый по телам качения. |
| 7306 A-UX | A = внутренняя модификация конструкции. |
| 7306 B-UX | X = Внешние размеры, соответствующие международным стандартам. |
| 7306 C-UD | С = Необслуживаемые концы стержней, внутренняя резьба. |
| 7306 C-UX | С = Необслуживаемые концы стержней, внутренняя резьба. |
| 7306 A-UD | A = внутренняя модификация конструкции. |
| 7306 B-UD | D = профиль наружного кольца, усовершенствованный, с увеличенной зоной несущей нагрузки и оптимизированными краевыми переходами. |
| 7306 B-UO | B = однокомпонентное ребристое внутреннее кольцо. |
| 7306 B.JP | B = однокомпонентное ребристое внутреннее кольцо. |
| 7306 B.MP | B = 40 градусов угол контакта. M = обработанный латунный сепаратор, расположенныйна элементах качения. |
| 7306B-2RS | Резиновые уплотнения с каждой стороны подшипника. |
| 7306 C-UO | С = Необслуживаемые концы стержней, внутренняя резьба. |
| 7306 A-UO | A = внутренняя модификация конструкции. |
| 7306 BEGAM | A = внутренняя модификация конструкции. |
| 7306 BEGAP | Радиально-упорный шарикоподшипник с углом контакта 40. Оптимизированная внутренняя конструкция. Подшипник для универсального сопряжения. Два подшипника, расположенных вплотную друг к другу или лицом к лицу, имеют небольшой предварительный натяг. Сепаратор армирован стекловолокном. |
| 7306 BECBP | ЕС = эксцентриковый фиксатор воротника с утопленным внутренним кольцом на одной стороне. |
| 7306 BEGBP | G = Однорядный радиально-упорный шарикоподшипник для универсального парного монтажа. Два подшипника, установленные по 0-образной или Х-образной схеме, будут иметь определенный осевой зазор в домонтажном состоянии. |
| 7306 BEGBY | Y = Штампованный латунный сепаратор, центрируемый по телам качения. |
| 7306 BECBY | ЕС = эксцентриковый фиксатор воротника с утопленным внутренним кольцом на одной стороне. |
| 7306 BEGBM | B = 40 градусов угол контакта. M = обработанный латунный сепаратор, расположенныйна элементах качения. |
| 7306-BE-MP | Радиально-упорный шарикоподшипник с углом контакта 40. Оптимизированная внутренняя конструкция. Обработанный латунный сепаратор центрируемый по шарику. |
| 7306-B-TVP | TVP = сегментный сепаратор, изготовленный из армированного стекловолокном полиамида PA66 направленная по роликам. |
| 7306 BECBM | B = 40 градусов угол контакта. M = обработанный латунный сепаратор, расположенныйна элементах качения. |
| 7306 BEGAPH | Однорядный радиально-упорный шарикоподшипник с углом контакта - 40. Оптимизирована внутренняя конструкция. Подшипник для универсального сопряжения, по схеме спина к спине или лицо к лицу, перед монтажом будут иметь предварительный натяг. Сепаратор оконного типа, отлитый под давлением из PEEK, с центрированием по шарику. |
| 7306-BE-TVP | E = Увеличенная грузоподъемность. TVP = (сегментная сепаратор, код P) = сплошная оконная сепаратор из армированного стекловолокном полиамида PA66. Катание на роликах. |
| 7306-BECB-MP | B = 40 градусов угол контакта. M = обработанный латунный сепаратор, расположенныйна элементах качения. |
| 7306 BE-2RZP | BE = однорядный радиально-упорный шарикоподшипник с углом контакта 40 градусов и оптимизированной внутренней конструкцией. 2RZ = шарикоподшипник по DIN 623, два уплотнения с низким трением. P = Формованная литьем под давлением сепаратор оконного типа из армированного стекловолокном полиамида 6,6, сфокусированная на шарике. |
| 7306 B.JP.UA | B = 40 градусов угол контакта. JP = Прессованная стальная клеть, направляемая катящимся элементом. UA = универсальный монтаж, с конфигурациями O и X Подшипниковая пара имеет небольшой осевой зазор. |
| Техника | Модель | Агрегат |
|---|---|---|
| Трактор | ДТ-20 | Колесо переднее |
| Трактор | МТЗ-82Л | Коробка раздаточная/шестерня промежуточная |
| Трактор | МТЗ-82 | Коробка раздаточная/шестерня промежуточная |
| Трактор | Т-25А | Мост передний |
| Трактор | Т-25 | Мост передний |
Однорядный цилиндрический роликовый подшипник NU306 (CRAFT, FAG, FBJ, ISB, ISO)
Однорядный цилиндрический роликовый подшипник NJ306 (CRAFT, FAG, FBJ, ISB, ISO)
Подшипник шариковый радиальный 6-306
Подшипник роликовый сферический 20306 (FAG, ISO, SIGMA)
Подшипник роликовый сферический 21306 (ISB, SKF)
Подшипник шариковый радиальный сферический двухрядный с цилиндрическим отверстием внутреннего кольца 1306