Главная > Подшипники> Шариковые> Радиально-упорные>7264B

7264B — Радиально-упорный шарикоподшипник, импортное производство по ISO стандарту, размер 320x580x92 номер основного исполнения 7264.
Производитель: NSK.
B = однокомпонентное ребристое внутреннее кольцо.
Цена по запросу
Цена на подшипник зависит от:
| Обозначение | Модификация |
|---|---|
| 7264 | Основное конструктивное исполнение. |
| 7264A | A = внутренняя модификация конструкции. |
| 7264 BCBM | B = 40 градусов угол контакта. CB = подшипник для универсального соответствия. Два подшипника, расположенные друг за другом или лицом к лицу, будут иметь нормальный осевой внутренний зазор перед монтажом. |
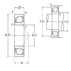
Габаритные размеры
Размеры и геометрические характеристики
Нагрузка и ресурс
Защита
Присоединительные размеры
Конструкция и исполнение
Подшипник роликовый радиальный с короткими цилиндрическими роликами без бортов на наружном кольце 2264
Подшипник роликовый радиальный с короткими цилиндрическими роликами с однобортовым внутренним кольцом 42264
Подшипник роликовый радиальный с короткими цилиндрическими роликами с однобортовым внутренним кольцом и с плоским упорным кольцом 92264
Подшипник шариковый радиально-упорный однорядный с разъемным наружным кольцом с четырехточечным контактом 116264
Подшипник шариковый радиально-упорный однорядный с разъемным внутренним кольцом с четырехточечным контактом 176264
Подшипник шариковый радиальный 6264 (CX, ISO, KOYO, NSK, NTN)