Главная > Подшипники> Шариковые> Радиально-упорные>7264 BCBM

7264 BCBM — однорядный радиально-упорный шарикоподшипник, импортное производство по ISO стандарту, размер 580x320x92 номер основного исполнения 7264.
Производитель: SKF.
B = 40 градусов угол контакта. CB = подшипник для универсального соответствия. Два подшипника, расположенные друг за другом или лицом к лицу, будут иметь нормальный осевой внутренний зазор перед монтажом.
Цена по запросу
Цена на подшипник зависит от:
Габаритные размеры
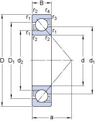
Размеры и геометрические характеристики
Нагрузка и ресурс
Коэффициенты для расчета
Присоединительные размеры
Прочие характеристики
Подшипник однорядный шариковый радиальный 6264 MA (SKF)
Однорядный цилиндрический роликоподшипник NU 264 MA (SKF)