Главная > Подшипники> Шариковые> Радиально-упорные>7248 BCBM

7248 BCBM — однорядный радиально-упорный шарикоподшипник, импортное производство по ISO стандарту, размер 440x240x72 номер основного исполнения 7248.
Производитель: SKF.
B = 40 градусов угол контакта. CB = подшипник для универсального соответствия. Два подшипника, расположенные друг за другом или лицом к лицу, будут иметь нормальный осевой внутренний зазор перед монтажом.
Цена от:163 734 р.
Цена на подшипник зависит от:
| Обозначение | Модификация |
|---|---|
| 7248 | Основное конструктивное исполнение. |
| 7248B | B = однокомпонентное ребристое внутреннее кольцо. |
| 7248A | A = внутренняя модификация конструкции. |
| 7248-B-MP | B = 40 градусов угол контакта. M = обработанный латунный сепаратор, расположенныйна элементах качения. |
| 7248-BCB-MP | B = 40 градусов угол контакта. CB = подшипник для универсального соответствия. Два подшипника, расположенные друг за другом или лицом к лицу, будут иметь нормальный осевой внутренний зазор перед монтажом. |
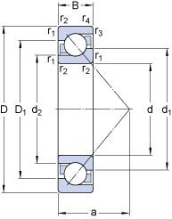
Габаритные размеры
Размеры и геометрические характеристики
Нагрузка и ресурс
Коэффициенты для расчета
Присоединительные размеры
Прочие характеристики
Однорядный цилиндрический роликовый подшипник NUP 248 MA (SKF)
Однорядный цилиндрический роликовый подшипник NJ 248 MA (SKF)
Однорядный цилиндрический роликовый подшипник NU 248 MA (SKF)
Подшипник шариковый с четырехточечным контактом QJ 248 N2MA (SKF)