Главная > Подшипники> Шариковые> Радиально-упорные>7248-B-MP

7248-B-MP — Подшипник шариковый однорядный радиально-упорный, импортное производство по ISO стандарту, размер 240x440x72 номер основного исполнения 7248.
Производитель: NKE.
B = 40 градусов угол контакта. M = обработанный латунный сепаратор, расположенныйна элементах качения.
Цена от:163 734 р.
Цена на подшипник зависит от:
| Обозначение | Модификация |
|---|---|
| 7248 | Основное конструктивное исполнение. |
| 7248B | B = однокомпонентное ребристое внутреннее кольцо. |
| 7248A | A = внутренняя модификация конструкции. |
| 7248 BCBM | B = 40 градусов угол контакта. CB = подшипник для универсального соответствия. Два подшипника, расположенные друг за другом или лицом к лицу, будут иметь нормальный осевой внутренний зазор перед монтажом. |
| 7248-BCB-MP | B = 40 градусов угол контакта. CB = подшипник для универсального соответствия. Два подшипника, расположенные друг за другом или лицом к лицу, будут иметь нормальный осевой внутренний зазор перед монтажом. |
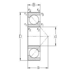
Габаритные размеры
Размеры и геометрические характеристики
Нагрузка и ресурс
Защита
Присоединительные размеры
Конструкция и исполнение
Однорядный цилиндрический роликовый подшипник NU248 (FAG, ISB, ISO, KOYO, NACHI)
Подшипник роликовый радиально-упорный 32248 (ГПЗ-1)
Однорядный цилиндрический роликовый подшипник NU248 E.M1 (FAG)
Однорядный цилиндрический роликовый подшипник NU248 E.M1.C3 (FAG)
Подшипник шариковый радиальный однорядный 248
Подшипник роликовый радиальный с короткими цилиндрическими роликами без бортов на наружном кольце 2248