Главная > Однорядные >7221 B.MP.UA

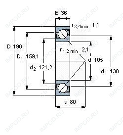
7221 B.MP.UA — Подшипник шариковый однорядный радиально-упорный, импортное производство по ISO стандарту, размер 105x190x36 номер основного исполнения 7221.
Производитель: FAG.
B = 40 градусов угол контакта. MP = Цельный латунный сепаратор оконного типа с штампованными или протянутыми карманами, центрируемый по внутреннему или наружному кольцу. U = Самоустанавливающиеся шарикоподшипники серий 115 и 116 без втулки. A = Модифицированная внутренняя конструкция.
Цена от:9 376 р.
Цена на подшипник зависит от:
| Обозначение | Модификация |
|---|---|
| 7221B | B = однокомпонентное ребристое внутреннее кольцо. |
| 7221DT | T = Механически обработанный сепаратор из текстолита, центрируемый по телам качения. |
| 7221DB | D = профиль наружного кольца, усовершенствованный, с увеличенной зоной несущей нагрузки и оптимизированными краевыми переходами. |
| 7221DF | Комплект подшипников расположенных лицом к лицу, дуплексная Х-образная пара. |
| 7221BG | B = 40 градусов угол контакта. G = Однорядный радиально-упорный шарикоподшипник для универсального парного монтажа. Два подшипника, установленные по 0-образной или Х-образной схеме, будут иметь определенный осевой зазор в домонтажном состоянии. |
| 7221AC | AC = Угол контакта 25 градусов. |
| 7221 A | A = внутренняя модификация конструкции. |
| 7221 C | С = Необслуживаемые концы стержней, внутренняя резьба. |
| 7221CPA | С = Необслуживаемые концы стержней, внутренняя резьба. |
| 7221CDF | Комплект подшипников расположенных лицом к лицу, дуплексная Х-образная пара. |
| 7221BDB | B = 40 градусов угол контакта. DB = два однорядных радиальных шарикоподшипника, однорядные радиально-упорные шарикоподшипники или однорядные конические роликовые подшипники, подходящие для монтажа в расположении друг за другом. |
| 7221 BDT | BD = Модифицированная внутренняя конструкция, угол контакта α = 30 градусов, без отверстия для заполнения. |
| 7221 BDF | B = 40 градусов угол контакта. DF = Два однорядных радиальных шарикоподшипника, однорядных радиально-упорных шарикоподшипника или однорядных конических роликоподшипника, согласованные для монтажа по Х-образной схеме. |
| 7221 ADT | T = Механически обработанный сепаратор из текстолита, центрируемый по телам качения. |
| 7221 ADF | Комплект подшипников расположенных лицом к лицу, дуплексная Х-образная пара. |
| 7221 BEP | Радиально-упорный шарикоподшипник с угол контакта - 40. Оптимизированная внутренняя конструкция. Сепаратор армирован стекловолокном с шаровым центром. |
| 7221 BMP | B = 40 градусов угол контакта. M = обработанный латунный сепаратор, расположенныйна элементах качения. |
| 7221 ADB | A = Модифицированная внутренняя конструкция. DB = два однорядных радиальных шарикоподшипника, однорядные радиально-упорные шарикоподшипники или однорядные конические роликовые подшипники, подходящие для монтажа в расположении друг к другу. |
| 7221 CDB | С = Необслуживаемые концы стержней, внутренняя резьба. |
| 7221 CDT | С = Необслуживаемые концы стержней, внутренняя резьба. |
| 7221 A-UD | A = внутренняя модификация конструкции. |
| 7221 B-UD | D = профиль наружного кольца, усовершенствованный, с увеличенной зоной несущей нагрузки и оптимизированными краевыми переходами. |
| 7221 C-UD | С = Необслуживаемые концы стержней, внутренняя резьба. |
| 7221 C-UX | С = Необслуживаемые концы стержней, внутренняя резьба. |
| 7221CTRSU | С = Необслуживаемые концы стержней, внутренняя резьба. |
| 7221 B-UX | X = Внешние размеры, соответствующие международным стандартам. |
| 7221 B-UO | B = однокомпонентное ребристое внутреннее кольцо. |
| 7221 C-UO | С = Необслуживаемые концы стержней, внутренняя резьба. |
| 7221 A-UO | A = внутренняя модификация конструкции. |
| 7221 A-UX | A = внутренняя модификация конструкции. |
| 7221A5TRSU | Угол контакта 25 градусов. |
| 7221 CTBP4 | ТВ = текстолитовый сепаратор, центрируемый по внутреннему кольцу. |
| 7221 ATBP4 | ТВ = текстолитовый сепаратор, центрируемый по внутреннему кольцу. |
| 7221 BECBM | B = 40 градусов угол контакта. M = обработанный латунный сепаратор, расположенныйна элементах качения. |
| 7221 BECBP | ЕС = эксцентриковый фиксатор воротника с утопленным внутренним кольцом на одной стороне. |
| 7221-BE-MP | Радиально-упорный шарикоподшипник с углом контакта 40. Оптимизированная внутренняя конструкция. Обработанный латунный сепаратор центрируемый по шарику. |
| 7221 CD/P4A | CD = 15 градусов угол контакта. P4 = Точность размеров и вращения соответствуют классу точности 4 ISO. |
| 7221 ACD/P4A | ACD = Угол контакта 25 градусов. P4 = Точность конструкции P4, точность хода P4. |
| 7221-BECB-MP | B = 40 градусов угол контакта. M = обработанный латунный сепаратор, расположенныйна элементах качения. |
| S7221 CD/P4A | CD = 15 градусов угол контакта. P4 = Точность размеров и вращения соответствуют классу точности 4 ISO. |
| 7221 CD/HCP4A | P4 = Точность размеров и вращения соответствуют классу точности 4 ISO. |
| B7221-C-T-P4S | T = Нейлоновая клетка, армированная стекловолокном (радиальные роликовые подшипники). P = Литой сепаратор из стеклонаполненного полиамида 6,6, центрируемый по телам качения. |
| B7221-E-T-P4S | E = (AC-SKF) = 25 градусов угол контакта. T = (сегмент TB-Cage) = текстильная слоистая Фенольный смола, направленная по наружному кольцу. сепаратор подходит для длительной эксплуатации при температуре до 100 градусов C. P = Литой сепаратор из стеклонаполненного полиамида 6,6, центрируемый по телам качения. |
| S7221 ACD/P4A | ACD = Угол контакта 25 градусов. P4 = Точность конструкции P4, точность хода P4. |
| 7221 ACD/HCP4A | ACD = Угол контакта 25 градусов. |
| 7221CT1B/GNP42 | GN = нормальная предварительная нагрузка. P = Литой сепаратор из стеклонаполненного полиамида 6,6, центрируемый по телам качения. |
| HCB7221-C-T-P4S | T = Нейлоновая клетка, армированная стекловолокном (радиальные роликовые подшипники). P = Литой сепаратор из стеклонаполненного полиамида 6,6, центрируемый по телам качения. |
| HCB7221-E-T-P4S | E = (AC-SKF) = 25 градусов угол контакта. T = (сегмент TB-Cage) = текстильная слоистая Фенольный смола, направленная по наружному кольцу. сепаратор подходит для длительной эксплуатации при температуре до 100 градусов C. P = Литой сепаратор из стеклонаполненного полиамида 6,6, центрируемый по телам качения. |
| 5S-7221CT1B/GNP42 | GN = нормальная предварительная нагрузка. P = Литой сепаратор из стеклонаполненного полиамида 6,6, центрируемый по телам качения. |
Однорядный цилиндрический роликовый подшипник NJ221 (CYSD, ISB, ISO, KOYO, NACHI)
Однорядный цилиндрический роликовый подшипник NU221 (CYSD, ISB, ISO, KOYO, NACHI)
Подшипник шариковый радиальный 6-221 (ГПЗ-23)
Подшипник шариковый двухрядный самоустанавливающийся 1221 (AST, CX, FAG, ISO, KOYO)
Однорядный цилиндрический роликовый подшипник NJ221 ECP.C3 (SKF)
Однорядный цилиндрический роликовый подшипник NU221 ECP.C3 (SKF)