Главная > Однорядные >7219 B.MP.UA

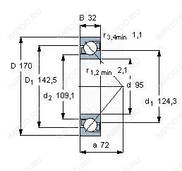
7219 B.MP.UA — Подшипник шариковый однорядный радиально-упорный, импортное производство по ISO стандарту, размер 95x170x34 номер основного исполнения 7219.
Производитель: FAG.
B = 40 градусов угол контакта. MP = Цельный латунный сепаратор оконного типа с штампованными или протянутыми карманами, центрируемый по внутреннему или наружному кольцу. U = Самоустанавливающиеся шарикоподшипники серий 115 и 116 без втулки. A = Модифицированная внутренняя конструкция.
Цена от:7 847 р.
Цена на подшипник зависит от:
| Обозначение | Модификация |
|---|---|
| B7219 | |
| 7219C | С = Необслуживаемые концы стержней, внутренняя резьба. |
| 7219 A | A = внутренняя модификация конструкции. |
| 7219BG | B = 40 градусов угол контакта. G = Однорядный радиально-упорный шарикоподшипник для универсального парного монтажа. Два подшипника, установленные по 0-образной или Х-образной схеме, будут иметь определенный осевой зазор в домонтажном состоянии. |
| 7219DB | D = профиль наружного кольца, усовершенствованный, с увеличенной зоной несущей нагрузки и оптимизированными краевыми переходами. |
| 7219DF | Комплект подшипников расположенных лицом к лицу, дуплексная Х-образная пара. |
| 7219 B | B = однокомпонентное ребристое внутреннее кольцо. |
| 7219DT | T = Механически обработанный сепаратор из текстолита, центрируемый по телам качения. |
| 7219AC | AC = Угол контакта 25 градусов. |
| 7219BDT | BD = Модифицированная внутренняя конструкция, угол контакта α = 30 градусов, без отверстия для заполнения. |
| 7219BEP | Радиально-упорный шарикоподшипник с угол контакта - 40. Оптимизированная внутренняя конструкция. Сепаратор армирован стекловолокном с шаровым центром. |
| 7219CPA | С = Необслуживаемые концы стержней, внутренняя резьба. |
| 7219CDT | С = Необслуживаемые концы стержней, внутренняя резьба. |
| 7219BDF | B = 40 градусов угол контакта. DF = Два однорядных радиальных шарикоподшипника, однорядных радиально-упорных шарикоподшипника или однорядных конических роликоподшипника, согласованные для монтажа по Х-образной схеме. |
| 7219BGM | B = 40 градусов угол контакта. G = Однорядный радиально-упорный шарикоподшипник для универсального парного монтажа. Два подшипника, установленные по 0-образной или Х-образной схеме, будут иметь определенный осевой зазор в домонтажном состоянии. |
| 7219CDB | С = Необслуживаемые концы стержней, внутренняя резьба. |
| 7219 BMP | B = 40 градусов угол контакта. M = обработанный латунный сепаратор, расположенныйна элементах качения. |
| 7219 ADB | A = Модифицированная внутренняя конструкция. DB = два однорядных радиальных шарикоподшипника, однорядные радиально-упорные шарикоподшипники или однорядные конические роликовые подшипники, подходящие для монтажа в расположении друг к другу. |
| 7219 BDB | B = 40 градусов угол контакта. DB = два однорядных радиальных шарикоподшипника, однорядные радиально-упорные шарикоподшипники или однорядные конические роликовые подшипники, подходящие для монтажа в расположении друг за другом. |
| 7219 CDF | Комплект подшипников расположенных лицом к лицу, дуплексная Х-образная пара. |
| 7219 ADT | T = Механически обработанный сепаратор из текстолита, центрируемый по телам качения. |
| 7219 ADF | Комплект подшипников расположенных лицом к лицу, дуплексная Х-образная пара. |
| 7219CTRSU | С = Необслуживаемые концы стержней, внутренняя резьба. |
| 7219-B-JP | B = однокомпонентное ребристое внутреннее кольцо. |
| 7219 B-UX | X = Внешние размеры, соответствующие международным стандартам. |
| 7219 A-UD | A = внутренняя модификация конструкции. |
| 7219 A-UO | A = внутренняя модификация конструкции. |
| 7219 C-UD | С = Необслуживаемые концы стержней, внутренняя резьба. |
| 7219 C-UX | С = Необслуживаемые концы стержней, внутренняя резьба. |
| 7219 C-UO | С = Необслуживаемые концы стержней, внутренняя резьба. |
| 7219 A-UX | A = внутренняя модификация конструкции. |
| 7219 B-UO | B = однокомпонентное ребристое внутреннее кольцо. |
| 7219 B-UD | D = профиль наружного кольца, усовершенствованный, с увеличенной зоной несущей нагрузки и оптимизированными краевыми переходами. |
| 7219-BE-MP | Радиально-упорный шарикоподшипник с углом контакта 40. Оптимизированная внутренняя конструкция. Обработанный латунный сепаратор центрируемый по шарику. |
| 7219 ATBP4 | ТВ = текстолитовый сепаратор, центрируемый по внутреннему кольцу. |
| 7219A5TRSU | Угол контакта 25 градусов. |
| 7219 CTBP4 | ТВ = текстолитовый сепаратор, центрируемый по внутреннему кольцу. |
| 7219 B.TVP | TVP = сегментный сепаратор, изготовленный из армированного стекловолокном полиамида PA66 направленная по роликам. |
| 7219 BECBM | B = 40 градусов угол контакта. M = обработанный латунный сепаратор, расположенныйна элементах качения. |
| 7219 BECBP | ЕС = эксцентриковый фиксатор воротника с утопленным внутренним кольцом на одной стороне. |
| 7219 BEGAM | A = внутренняя модификация конструкции. |
| 7219 BECBY | ЕС = эксцентриковый фиксатор воротника с утопленным внутренним кольцом на одной стороне. |
| 7219WN MBR | MB = Обработанный латунный сепаратор с внутренним кольцом. |
| 7219 BEGAPH | Однорядный радиально-упорный шарикоподшипник с углом контакта - 40. Оптимизирована внутренняя конструкция. Подшипник для универсального сопряжения, по схеме спина к спине или лицо к лицу, перед монтажом будут иметь предварительный натяг. Сепаратор оконного типа, отлитый под давлением из PEEK, с центрированием по шарику. |
| 7219 CD/P4A | CD = 15 градусов угол контакта. P4 = Точность размеров и вращения соответствуют классу точности 4 ISO. |
| 7219CG/GNP4 | GN = нормальная предварительная нагрузка. P = Литой сепаратор из стеклонаполненного полиамида 6,6, центрируемый по телам качения. |
| S7219 CD/P4A | CD = 15 градусов угол контакта. P4 = Точность размеров и вращения соответствуют классу точности 4 ISO. |
| 7219-BECB-MP | B = 40 градусов угол контакта. M = обработанный латунный сепаратор, расположенныйна элементах качения. |
| 7219 ACD/P4A | ACD = Угол контакта 25 градусов. P4 = Точность конструкции P4, точность хода P4. |
| B7219-C-T-P4S | T = Нейлоновая клетка, армированная стекловолокном (радиальные роликовые подшипники). P = Литой сепаратор из стеклонаполненного полиамида 6,6, центрируемый по телам качения. |
Однорядный конический роликовый подшипник 30219 (CRAFT, CYSD, FAG, FBJ, ISB)
Подшипник роликовый радиально-упорный 30219F (Fersa)
Однорядный конический роликовый подшипник 30219-A (CX, FAG, SNR, ZVL)
Однорядный конический роликовый подшипник 30219JR (KOYO)
Подшипник роликовый конический 30219-XL (FAG)
Однорядный конический роликовый подшипник 30219U (NTN)