Главная > Подшипники> Шариковые> Радиально-упорные>7214-BECB-MP

7214-BECB-MP — Подшипник шариковый однорядный радиально-упорный, импортное производство по ISO стандарту, размер 70x125x24 номер основного исполнения 7214.
Производитель: NKE.
B = 40 градусов угол контакта. M = обработанный латунный сепаратор, расположенныйна элементах качения.
Цена от:1 347 р.
Цена на подшипник зависит от:
| Обозначение | Модификация |
|---|---|
| 7214 | Основное конструктивное исполнение. |
| 7214B | B = однокомпонентное ребристое внутреннее кольцо. |
| 7214DF | Комплект подшипников расположенных лицом к лицу, дуплексная Х-образная пара. |
| 7214BG | B = 40 градусов угол контакта. G = Однорядный радиально-упорный шарикоподшипник для универсального парного монтажа. Два подшипника, установленные по 0-образной или Х-образной схеме, будут иметь определенный осевой зазор в домонтажном состоянии. |
| 7214 C | С = Необслуживаемые концы стержней, внутренняя резьба. |
| 7214BA | A = внутренняя модификация конструкции. |
| 7214AC | AC = Угол контакта 25 градусов. |
| 7214DB | D = профиль наружного кольца, усовершенствованный, с увеличенной зоной несущей нагрузки и оптимизированными краевыми переходами. |
| 7214 A | A = внутренняя модификация конструкции. |
| 7214WN | W = Без кольцевой канавки и смазочных отверстий в наружном кольце. |
| 7214DT | T = Механически обработанный сепаратор из текстолита, центрируемый по телам качения. |
| 7214BEA | A = внутренняя модификация конструкции. |
| 7214BGM | B = 40 градусов угол контакта. G = Однорядный радиально-упорный шарикоподшипник для универсального парного монтажа. Два подшипника, установленные по 0-образной или Х-образной схеме, будут иметь определенный осевой зазор в домонтажном состоянии. |
| 7214BGA | B = 40 градусов угол контакта. G = Однорядный радиально-упорный шарикоподшипник для универсального парного монтажа. Два подшипника, установленные по 0-образной или Х-образной схеме, будут иметь определенный осевой зазор в домонтажном состоянии. |
| 7214CPA | С = Необслуживаемые концы стержней, внутренняя резьба. |
| 7214BDF | B = 40 градусов угол контакта. DF = Два однорядных радиальных шарикоподшипника, однорядных радиально-упорных шарикоподшипника или однорядных конических роликоподшипника, согласованные для монтажа по Х-образной схеме. |
| 7214BDT | BD = Модифицированная внутренняя конструкция, угол контакта α = 30 градусов, без отверстия для заполнения. |
| 7214BEP | Радиально-упорный шарикоподшипник с угол контакта - 40. Оптимизированная внутренняя конструкция. Сепаратор армирован стекловолокном с шаровым центром. |
| 7214 ADT | T = Механически обработанный сепаратор из текстолита, центрируемый по телам качения. |
| 7214 BDB | B = 40 градусов угол контакта. DB = два однорядных радиальных шарикоподшипника, однорядные радиально-упорные шарикоподшипники или однорядные конические роликовые подшипники, подходящие для монтажа в расположении друг за другом. |
| 7214 CDF | Комплект подшипников расположенных лицом к лицу, дуплексная Х-образная пара. |
| 7214 CDT | С = Необслуживаемые концы стержней, внутренняя резьба. |
| 7214DTBT | ТВ = текстолитовый сепаратор, центрируемый по внутреннему кольцу. |
| 7214 CDB | С = Необслуживаемые концы стержней, внутренняя резьба. |
| 7214 ADF | Комплект подшипников расположенных лицом к лицу, дуплексная Х-образная пара. |
| 7214 ADB | A = Модифицированная внутренняя конструкция. DB = два однорядных радиальных шарикоподшипника, однорядные радиально-упорные шарикоподшипники или однорядные конические роликовые подшипники, подходящие для монтажа в расположении друг к другу. |
| 7214T1P4 | P4 = Точность размеров и вращения соответствуют классу точности 4 ISO. |
| 7214 B-UO | B = однокомпонентное ребристое внутреннее кольцо. |
| 7214 A-UO | A = внутренняя модификация конструкции. |
| 7214BECBY | ЕС = эксцентриковый фиксатор воротника с утопленным внутренним кольцом на одной стороне. |
| 7214 B-UX | X = Внешние размеры, соответствующие международным стандартам. |
| 7214CTRSU | С = Необслуживаемые концы стержней, внутренняя резьба. |
| 7214 C-UD | С = Необслуживаемые концы стержней, внутренняя резьба. |
| 7214BECBP | ЕС = эксцентриковый фиксатор воротника с утопленным внутренним кольцом на одной стороне. |
| 7214 C-UO | С = Необслуживаемые концы стержней, внутренняя резьба. |
| 7214BECBM | B = 40 градусов угол контакта. M = обработанный латунный сепаратор, расположенныйна элементах качения. |
| 7214 A-UD | A = внутренняя модификация конструкции. |
| 7214 C-UX | С = Необслуживаемые концы стержней, внутренняя резьба. |
| 7214-B-JP | B = однокомпонентное ребристое внутреннее кольцо. |
| 7214 B-UD | D = профиль наружного кольца, усовершенствованный, с увеличенной зоной несущей нагрузки и оптимизированными краевыми переходами. |
| 7214 A-UX | A = внутренняя модификация конструкции. |
| 7214 BEGAM | A = внутренняя модификация конструкции. |
| 7214BECBPH | ЕС = эксцентриковый фиксатор воротника с утопленным внутренним кольцом на одной стороне. |
| 7214-B-TVP | TVP = сегментный сепаратор, изготовленный из армированного стекловолокном полиамида PA66 направленная по роликам. |
| 7214 BEGAF | A = внутренняя модификация конструкции. |
| 7214 ATBP4 | ТВ = текстолитовый сепаратор, центрируемый по внутреннему кольцу. |
| 7214 CTBP4 | ТВ = текстолитовый сепаратор, центрируемый по внутреннему кольцу. |
| 7214A5TRSU | Угол контакта 25 градусов. |
| 7214-BE-MP | Радиально-упорный шарикоподшипник с углом контакта 40. Оптимизированная внутренняя конструкция. Обработанный латунный сепаратор центрируемый по шарику. |
| 7214 BEGAP | Радиально-упорный шарикоподшипник с углом контакта 40. Оптимизированная внутренняя конструкция. Подшипник для универсального сопряжения. Два подшипника, расположенных вплотную друг к другу или лицом к лицу, имеют небольшой предварительный натяг. Сепаратор армирован стекловолокном. |
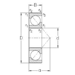
Габаритные размеры
Размеры и геометрические характеристики
Нагрузка и ресурс
Защита
Присоединительные размеры
Конструкция и исполнение
Однорядный цилиндрический роликовый подшипник NJ214 (CRAFT, FBJ, ISB, ISO, KOYO)
Однорядный цилиндрический роликовый подшипник NU214 (CRAFT, FBJ, ISB, ISO, KOYO)
Подшипник шариковый радиальный 6-214 (ГПЗ-3)
Подшипник шариковый радиальный 4-214 (ГПЗ-3)
Подшипник роликовый сферический 20214 (FAG, ISO)
Подшипник шариковый радиальный сферический двухрядный с цилиндрическим отверстием внутреннего кольца 1214