Главная > Подшипники> Шариковые> Радиально-упорные>7208-B-2RS-TVP

7208-B-2RS-TVP — Подшипник шариковый радиально-упорный, импортное производство по ISO стандарту, размер 40x80x18 номер основного исполнения 7208.
Производитель: FAG.
2RS = резиновые уплотнения с каждой стороны подшипника. Т = TVH = сепаратор из полиамида .
Цена от:2 343 р.
Цена на подшипник зависит от:
| Обозначение | Модификация |
|---|---|
| 7208 | Основное конструктивное исполнение. |
| B7208 | |
| 7208 C | С = Необслуживаемые концы стержней, внутренняя резьба. |
| 7208BG | B = 40 градусов угол контакта. G = Однорядный радиально-упорный шарикоподшипник для универсального парного монтажа. Два подшипника, установленные по 0-образной или Х-образной схеме, будут иметь определенный осевой зазор в домонтажном состоянии. |
| 7208WN | W = Без кольцевой канавки и смазочных отверстий в наружном кольце. |
| 7208AC | AC = Угол контакта 25 градусов. |
| 7208DB | D = профиль наружного кольца, усовершенствованный, с увеличенной зоной несущей нагрузки и оптимизированными краевыми переходами. |
| 7208 B | B = однокомпонентное ребристое внутреннее кольцо. |
| 7208DF | Комплект подшипников расположенных лицом к лицу, дуплексная Х-образная пара. |
| 7208DT | T = Механически обработанный сепаратор из текстолита, центрируемый по телам качения. |
| 7208 A | A = внутренняя модификация конструкции. |
| 7208BA | A = внутренняя модификация конструкции. |
| S7208B | B = однокомпонентное ребристое внутреннее кольцо. |
| 7208BDF | B = 40 градусов угол контакта. DF = Два однорядных радиальных шарикоподшипника, однорядных радиально-упорных шарикоподшипника или однорядных конических роликоподшипника, согласованные для монтажа по Х-образной схеме. |
| 7208CPA | С = Необслуживаемые концы стержней, внутренняя резьба. |
| NC7208V | V = Увеличенная грузоподъемность, внутренняя модификация конструкции. |
| 7208BGM | B = 40 градусов угол контакта. G = Однорядный радиально-упорный шарикоподшипник для универсального парного монтажа. Два подшипника, установленные по 0-образной или Х-образной схеме, будут иметь определенный осевой зазор в домонтажном состоянии. |
| 7208CDT | С = Необслуживаемые концы стержней, внутренняя резьба. |
| 7208BGA | B = 40 градусов угол контакта. G = Однорядный радиально-упорный шарикоподшипник для универсального парного монтажа. Два подшипника, установленные по 0-образной или Х-образной схеме, будут иметь определенный осевой зазор в домонтажном состоянии. |
| 7208CDB | С = Необслуживаемые концы стержней, внутренняя резьба. |
| 7208BDT | BD = Модифицированная внутренняя конструкция, угол контакта α = 30 градусов, без отверстия для заполнения. |
| 7208BEA | A = внутренняя модификация конструкции. |
| 7208 ADB | A = Модифицированная внутренняя конструкция. DB = два однорядных радиальных шарикоподшипника, однорядные радиально-упорные шарикоподшипники или однорядные конические роликовые подшипники, подходящие для монтажа в расположении друг к другу. |
| 7208 CDF | Комплект подшипников расположенных лицом к лицу, дуплексная Х-образная пара. |
| 7208 ADT | T = Механически обработанный сепаратор из текстолита, центрируемый по телам качения. |
| 7208 BDB | B = 40 градусов угол контакта. DB = два однорядных радиальных шарикоподшипника, однорядные радиально-упорные шарикоподшипники или однорядные конические роликовые подшипники, подходящие для монтажа в расположении друг за другом. |
| 7208 ADF | Комплект подшипников расположенных лицом к лицу, дуплексная Х-образная пара. |
| 7208 BEP | Радиально-упорный шарикоподшипник с угол контакта - 40. Оптимизированная внутренняя конструкция. Сепаратор армирован стекловолокном с шаровым центром. |
| 7208B-2RS | Резиновые уплотнения с каждой стороны подшипника. |
| 7208CTRSU | С = Необслуживаемые концы стержней, внутренняя резьба. |
| 7208 C-UD | С = Необслуживаемые концы стержней, внутренняя резьба. |
| 7208 A-UD | A = внутренняя модификация конструкции. |
| 7208 B-UX | X = Внешние размеры, соответствующие международным стандартам. |
| 7208 A-UX | A = внутренняя модификация конструкции. |
| 7208-B-JP | B = однокомпонентное ребристое внутреннее кольцо. |
| 7208 B-UO | B = однокомпонентное ребристое внутреннее кольцо. |
| 7208 B-UD | D = профиль наружного кольца, усовершенствованный, с увеличенной зоной несущей нагрузки и оптимизированными краевыми переходами. |
| 7208 C-UX | С = Необслуживаемые концы стержней, внутренняя резьба. |
| 7208BECBY | ЕС = эксцентриковый фиксатор воротника с утопленным внутренним кольцом на одной стороне. |
| 7208 C-UO | С = Необслуживаемые концы стержней, внутренняя резьба. |
| 7208 A-UO | A = внутренняя модификация конструкции. |
| 7208BECBM | B = 40 градусов угол контакта. M = обработанный латунный сепаратор, расположенныйна элементах качения. |
| 7208BECBP | ЕС = эксцентриковый фиксатор воротника с утопленным внутренним кольцом на одной стороне. |
| 7208 BEGAY | BE = однорядный радиально-упорный шарикоподшипник с углом контакта 40 градусов и оптимизированной внутренней конструкцией. GA = Однорядный радиально-упорный шарикоподшипник для универсального соответствия. Два подшипника, расположенные друг за другом или лицом к лицу, будут иметь легкую предварительную нагрузку. Y = (Сегментный тип клетки, код Y) = штампованная латунный сепаратор с центром на элементах качения. |
| 7208-B-TVP | TVP = сегментный сепаратор, изготовленный из армированного стекловолокном полиамида PA66 направленная по роликам. |
| 7208 BEGAP | Радиально-упорный шарикоподшипник с углом контакта 40. Оптимизированная внутренняя конструкция. Подшипник для универсального сопряжения. Два подшипника, расположенных вплотную друг к другу или лицом к лицу, имеют небольшой предварительный натяг. Сепаратор армирован стекловолокном. |
| 7208 BEGBY | Y = Штампованный латунный сепаратор, центрируемый по телам качения. |
| 7208 CTBP4 | ТВ = текстолитовый сепаратор, центрируемый по внутреннему кольцу. |
| 7208 ATBP4 | ТВ = текстолитовый сепаратор, центрируемый по внутреннему кольцу. |
| 7208-BE-MP | Радиально-упорный шарикоподшипник с углом контакта 40. Оптимизированная внутренняя конструкция. Обработанный латунный сепаратор центрируемый по шарику. |
| Техника | Модель | Агрегат |
|---|---|---|
| Комбайн | КОП-1.4 | Блок вальцов битерных |
| Комбайн | КОП-1.4 | Блок вальцов отрывочных |
| Косилка | КПС-5Г | Вал кривошипа/корпус |
| Трактор | МТЗ-50Л | Вал отбора мощности боковой/опора передняя |
| Трактор | МТЗ-50ПЛ | Вал отбора мощности боковой/опора передняя |
| Трактор | МТЗ-50 | Вал отбора мощности боковой/опора передняя |
| Трактор | МТЗ-52Л | Вал отбора мощности боковой/опора передняя |
| Трактор | МТЗ-52 | Вал отбора мощности боковой/опора передняя |
| Трактор | МТЗ-80Л | Вал отбора мощности боковой/опора передняя |
| Трактор | МТЗ-80 | Вал отбора мощности боковой/опора передняя |
| Трактор | МТЗ-82Л | Вал отбора мощности боковой/опора передняя |
| Трактор | МТЗ-82 | Вал отбора мощности боковой/опора передняя |
| Трактор | МТЗ-50Л | Вал отбора мощности задний/барабан шестерни солнечной. опоры передняя и задняя |
| Трактор | МТЗ-50ПЛ | Вал отбора мощности задний/барабан шестерни солнечной. опоры передняя и задняя |
| Трактор | МТЗ-50 | Вал отбора мощности задний/барабан шестерни солнечной. опоры передняя и задняя |
| Трактор | МТЗ-52Л | Вал отбора мощности задний/барабан шестерни солнечной. опоры передняя и задняя |
| Трактор | МТЗ-52 | Вал отбора мощности задний/барабан шестерни солнечной. опоры передняя и задняя |
| Трактор | МТЗ-50Л | Вал отбора мощности задний/водило. опора задняя |
| Трактор | МТЗ-50ПЛ | Вал отбора мощности задний/водило. опора задняя |
| Трактор | МТЗ-50 | Вал отбора мощности задний/водило. опора задняя |
| Трактор | МТЗ-52Л | Вал отбора мощности задний/водило. опора задняя |
| Трактор | МТЗ-52 | Вал отбора мощности задний/водило. опора задняя |
| Трактор | МТЗ-80Л | Вал отбора мощности задний/водило. опора задняя |
| Трактор | МТЗ-80 | Вал отбора мощности задний/водило. опора задняя |
| Трактор | МТЗ-82Л | Вал отбора мощности задний/водило. опора задняя |
| Трактор | МТЗ-82 | Вал отбора мощности задний/водило. опора задняя |
| Трактор | ХТЗ-16131 (кроме двигателя) | Вал отбора мощности/вал промежуточный |
| Трактор | Т-151К с двигателем СМД-62А-63А | Вал отбора мощности/опора промежуточная |
| Трактор | Т-151К с двигателем СМД-62-63 | Вал отбора мощности/опора промежуточная |
| Трактор | Т-75 | Вал отбора мощности/шестерня редуктора |
| Комбайн | КОП-1.4 | Вал промежуточный |
| Копатель кормовых корнеплодов грохотный | ККГ-1.4 | Вал промежуточный/контрпривод |
| Трактор | ТТ-4М-01 | Двигатель пусковой/редуктор |
| Трактор | ТТ-4М | Двигатель пусковой/редуктор |
| Трактор | Т-4А | Двигатель пусковой/редуктор |
| Трактор | Т-40А | Двигатель/вал механизма выключения. опора задняя |
| Трактор | Т-75 | Двигатель/вал механизма выключения. опора задняя |
| Трактор | МТЗ-2 | Двигатель/привод вентилятора. опора задняя |
| Трактор | МТЗ-5К | Двигатель/привод вентилятора. опора задняя |
| Трактор | МТЗ-5ЛС | Двигатель/привод вентилятора. опора задняя |
| Трактор | МТЗ-5Л | Двигатель/привод вентилятора. опора задняя |
| Трактор | МТЗ-5МС | Двигатель/привод вентилятора. опора задняя |
| Трактор | МТЗ-5М | Двигатель/привод вентилятора. опора задняя |
| Трактор | МТЗ-5 | Двигатель/привод вентилятора. опора задняя |
| Трактор | МТЗ-50ПЛ | Двигатель/привод вентилятора. опора задняя |
| Трактор | Т-75МВ с двигателем А-41 | Двигатель/регулятор двигателя пускового |
| Трактор | ДТ-75МВ с двигателем А-41 | Двигатель/редуктор двигателя пускового |
| Трактор | ДТ-75МВ | Двигатель/редуктор двигателя пускового |
| Трактор | Т-75 | Двигатель/шкив вентилятора. опора задняя |
| Комбайн | КПИ-2.4 | Жатка для уборки силосных культур/редуктор |
| Трактор | МТЗ-50Л | Задняя опора первичного вала коробки передач |
| Трактор | МТЗ-50ПЛ | Задняя опора первичного вала коробки передач |
| Трактор | МТЗ-50 | Задняя опора первичного вала коробки передач |
| Трактор | МТЗ-52Л | Задняя опора первичного вала коробки передач |
| Трактор | МТЗ-52 | Задняя опора первичного вала коробки передач |
| Трактор | МТЗ-80Л | Задняя опора первичного вала коробки передач |
| Трактор | МТЗ-80 | Задняя опора первичного вала коробки передач |
| Трактор | МТЗ-82Л | Задняя опора первичного вала коробки передач |
| Трактор | МТЗ-82 | Задняя опора первичного вала коробки передач |
| Загрузчик автомобильный универсальный | ЗАУ-3 | Коробка отбора мощности |
| Загрузчик автомобильный универсальный | УЗСА-40 | Коробка отбора мощности |
| Трактор | МТЗ-50Л | Коробка передач/вал первой передачи и заднего хода. опора задняя |
| Трактор | МТЗ-50ПЛ | Коробка передач/вал первой передачи и заднего хода. опора задняя |
| Трактор | МТЗ-50 | Коробка передач/вал первой передачи и заднего хода. опора задняя |
| Трактор | МТЗ-52Л | Коробка передач/вал первой передачи и заднего хода. опора задняя |
| Трактор | МТЗ-52 | Коробка передач/вал первой передачи и заднего хода. опора задняя |
| Трактор | МТЗ-80Л | Коробка передач/вал первой передачи. опора задняя |
| Трактор | МТЗ-80 | Коробка передач/вал первой передачи. опора задняя |
| Трактор | МТЗ-82Л | Коробка передач/вал первой передачи. опора задняя |
| Трактор | МТЗ-82 | Коробка передач/вал первой передачи. опора задняя |
| Комбайн | КСК-100А-А1 | Коробка передач/валы. шестерни |
| Трактор | МТЗ-2 | Коробка передач/шестерня промежуточная |
| Трактор | МТЗ-5К | Коробка передач/шестерня промежуточная |
| Трактор | МТЗ-5ЛС | Коробка передач/шестерня промежуточная |
| Трактор | МТЗ-5Л | Коробка передач/шестерня промежуточная |
| Трактор | МТЗ-5МС | Коробка передач/шестерня промежуточная |
| Трактор | МТЗ-5М | Коробка передач/шестерня промежуточная |
| Трактор | МТЗ-5 | Коробка передач/шестерня промежуточная |
| Трактор | К-701 | Коробка переключения передач |
| Трактор | ЮМЗ-6АЛ | Коробка переключения передач |
| Трактор | ЮМЗ-6АМ | Коробка переключения передач |
| Трактор | ЮМЗ-6КМ | Коробка переключения передач |
| ГАЗ | 66-01 | Коробка раздаточная/вал вторичный. опора задняя |
| ГАЗ | 66-02 | Коробка раздаточная/вал вторичный. опора задняя |
| ГАЗ | 66-04 | Коробка раздаточная/вал вторичный. опора задняя |
| ГАЗ | 66-05 | Коробка раздаточная/вал вторичный. опора задняя |
| САЗ | 3502 | Коробка раздаточная/вал вторичный. опора задняя |
| САЗ | 3507 | Коробка раздаточная/вал вторичный. опора задняя |
| Трактор | Т-16 самоходное шасси | Корпус главной передачи |
| Трактор | Т-16 | Корпус главной передачи |
| Трактор | МТЗ-52Л | Мост передний ведущий/редукторы |
| Трактор | МТЗ-52 | Мост передний ведущий/редукторы |
| Трактор | МТЗ-82Л | Мост передний/редуктор передачи конечной |
| Опрыскиватель прицепной штанговый | ОПШ-15 | Насос |
| Трактор | Т-150 | Насос НМШ-50/вал шестерни |
| Трактор | МТЗ-80Л | Насос НШ 32-3/привод |
| Трактор | МТЗ-80 | Насос НШ 32-3/привод |
| Трактор | МТЗ-82Л | Насос НШ 32-3/привод |
| Трактор | МТЗ-82 | Насос НШ 32-3/привод |
| Трактор | Т-150К | Опора промежуточная |
| Комбайн | КОП-1.4 | Привод цепей падающих |
| Комбайн | КПИ-2.4 | Распределительная коробка измельчителя |
| Комбайн | КСК-100А-А1 | Редуктор/валы. шестерни |
| Трактор | МТЗ-2 | Ходоуменьшитель |
| Трактор | МТЗ-5К | Ходоуменьшитель |
| Трактор | МТЗ-5 | Ходоуменьшитель |
| Станкостроение |
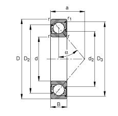
Габаритные размеры
Размеры и геометрические характеристики
Нагрузка и ресурс
Присоединительные размеры
Прочие характеристики
Подшипник шариковый радиальный 6-208
Подшипник роликовый радиально-упорный 32208 (ГПЗ-4)
Подшипник шариковый радиальный 4-208
Подшипник роликовый сферический 20208 (FAG, ISO, SIGMA)
Подшипник шариковый радиальный сферический двухрядный с цилиндрическим отверстием внутреннего кольца 1208
Подшипник роликовый радиальный с короткими цилиндрическими роликами с однобортовым наружным кольцом 12208