Главная > Подшипники> Шариковые> Радиально-упорные>7206-BE-TVP

7206-BE-TVP — Подшипник шариковый однорядный радиально-упорный, импортное производство по ISO стандарту, размер 30x62x16 номер основного исполнения 7206.
Производитель: NKE.
E = Увеличенная грузоподъемность. TVP = (сегментная сепаратор, код P) = сплошная оконная сепаратор из армированного стекловолокном полиамида PA66. Катание на роликах.
Цена от:364 р.
Цена на подшипник зависит от:
| Обозначение | Модификация |
|---|---|
| 7206 | Основное конструктивное исполнение. |
| B7206 | |
| 7206AC | AC = Угол контакта 25 градусов. |
| 7206BG | B = 40 градусов угол контакта. G = Однорядный радиально-упорный шарикоподшипник для универсального парного монтажа. Два подшипника, установленные по 0-образной или Х-образной схеме, будут иметь определенный осевой зазор в домонтажном состоянии. |
| 7206DF | Комплект подшипников расположенных лицом к лицу, дуплексная Х-образная пара. |
| 7206WN | W = Без кольцевой канавки и смазочных отверстий в наружном кольце. |
| 7206-B | B = однокомпонентное ребристое внутреннее кольцо. |
| 7206DB | D = профиль наружного кольца, усовершенствованный, с увеличенной зоной несущей нагрузки и оптимизированными краевыми переходами. |
| S7206B | B = однокомпонентное ребристое внутреннее кольцо. |
| 7206 A | A = внутренняя модификация конструкции. |
| 7206DT | T = Механически обработанный сепаратор из текстолита, центрируемый по телам качения. |
| 7206 C | С = Необслуживаемые концы стержней, внутренняя резьба. |
| NC7206V | V = Увеличенная грузоподъемность, внутренняя модификация конструкции. |
| 7206BEA | A = внутренняя модификация конструкции. |
| 7206BGA | B = 40 градусов угол контакта. G = Однорядный радиально-упорный шарикоподшипник для универсального парного монтажа. Два подшипника, установленные по 0-образной или Х-образной схеме, будут иметь определенный осевой зазор в домонтажном состоянии. |
| 7206CPA | С = Необслуживаемые концы стержней, внутренняя резьба. |
| 7206CP5 | P5 = Подшипники 5-го класса точности DIN |
| 7206 CDF | Комплект подшипников расположенных лицом к лицу, дуплексная Х-образная пара. |
| 7206 ADT | T = Механически обработанный сепаратор из текстолита, центрируемый по телам качения. |
| 7206 ADF | Комплект подшипников расположенных лицом к лицу, дуплексная Х-образная пара. |
| 7206 BDF | B = 40 градусов угол контакта. DF = Два однорядных радиальных шарикоподшипника, однорядных радиально-упорных шарикоподшипника или однорядных конических роликоподшипника, согласованные для монтажа по Х-образной схеме. |
| 7206 BDT | BD = Модифицированная внутренняя конструкция, угол контакта α = 30 градусов, без отверстия для заполнения. |
| 7206 BEP | Радиально-упорный шарикоподшипник с угол контакта - 40. Оптимизированная внутренняя конструкция. Сепаратор армирован стекловолокном с шаровым центром. |
| 7206 CDB | С = Необслуживаемые концы стержней, внутренняя резьба. |
| 7206 BDB | B = 40 градусов угол контакта. DB = два однорядных радиальных шарикоподшипника, однорядные радиально-упорные шарикоподшипники или однорядные конические роликовые подшипники, подходящие для монтажа в расположении друг за другом. |
| 7206 ADB | A = Модифицированная внутренняя конструкция. DB = два однорядных радиальных шарикоподшипника, однорядные радиально-упорные шарикоподшипники или однорядные конические роликовые подшипники, подходящие для монтажа в расположении друг к другу. |
| 7206 CDT | С = Необслуживаемые концы стержней, внутренняя резьба. |
| 7206 A-UO | A = внутренняя модификация конструкции. |
| 7206 A-UD | A = внутренняя модификация конструкции. |
| 7206 C-UO | С = Необслуживаемые концы стержней, внутренняя резьба. |
| 7206 B-UO | B = однокомпонентное ребристое внутреннее кольцо. |
| 7206CTRSU | С = Необслуживаемые концы стержней, внутренняя резьба. |
| 7206B-2RS | Резиновые уплотнения с каждой стороны подшипника. |
| 7206 C-UX | С = Необслуживаемые концы стержней, внутренняя резьба. |
| 7206-B-JP | B = однокомпонентное ребристое внутреннее кольцо. |
| 7206 B-UD | D = профиль наружного кольца, усовершенствованный, с увеличенной зоной несущей нагрузки и оптимизированными краевыми переходами. |
| 7206 B-UX | X = Внешние размеры, соответствующие международным стандартам. |
| 7206 C-UD | С = Необслуживаемые концы стержней, внутренняя резьба. |
| 7206 A-UX | A = внутренняя модификация конструкции. |
| 7206 BEGBP | G = Однорядный радиально-упорный шарикоподшипник для универсального парного монтажа. Два подшипника, установленные по 0-образной или Х-образной схеме, будут иметь определенный осевой зазор в домонтажном состоянии. |
| 7206-BE-MP | Радиально-упорный шарикоподшипник с углом контакта 40. Оптимизированная внутренняя конструкция. Обработанный латунный сепаратор центрируемый по шарику. |
| 7206 BECBM | B = 40 градусов угол контакта. M = обработанный латунный сепаратор, расположенныйна элементах качения. |
| 7206 BECBP | ЕС = эксцентриковый фиксатор воротника с утопленным внутренним кольцом на одной стороне. |
| 7206A5TRSU | Угол контакта 25 градусов. |
| 7206 BEGAY | BE = однорядный радиально-упорный шарикоподшипник с углом контакта 40 градусов и оптимизированной внутренней конструкцией. GA = Однорядный радиально-упорный шарикоподшипник для универсального соответствия. Два подшипника, расположенные друг за другом или лицом к лицу, будут иметь легкую предварительную нагрузку. Y = (Сегментный тип клетки, код Y) = штампованная латунный сепаратор с центром на элементах качения. |
| 7206 BEGAJ | A = Модифицированная внутренняя конструкция. J = Штампованный стальной сепаратор, центрируемый по роликам. |
| 7206 BEGAP | Радиально-упорный шарикоподшипник с углом контакта 40. Оптимизированная внутренняя конструкция. Подшипник для универсального сопряжения. Два подшипника, расположенных вплотную друг к другу или лицом к лицу, имеют небольшой предварительный натяг. Сепаратор армирован стекловолокном. |
| 7206-B-TVP | TVP = сегментный сепаратор, изготовленный из армированного стекловолокном полиамида PA66 направленная по роликам. |
| 7206 ATBP4 | ТВ = текстолитовый сепаратор, центрируемый по внутреннему кольцу. |
| 7206 BECBY | ЕС = эксцентриковый фиксатор воротника с утопленным внутренним кольцом на одной стороне. |
| Техника | Модель | Агрегат |
|---|---|---|
| Буровой насос | 1В | Коробка отбора мощности |
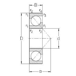
Габаритные размеры
Размеры и геометрические характеристики
Нагрузка и ресурс
Защита
Присоединительные размеры
Конструкция и исполнение
Однорядный цилиндрический роликовый подшипник NJ206 (CRAFT, FAG, FBJ, ISB, ISO)
Однорядный цилиндрический роликовый подшипник NU206 (CRAFT, FAG, FBJ, ISB, ISO)
Подшипник шариковый радиальный 6-206 (ГПЗ-23)
Подшипник шариковый радиальный сферический двухрядный с цилиндрическим отверстием внутреннего кольца 5-1206 (ГПЗ-2)
Подшипник роликовый сферический 20206 (FAG, ISO, SIGMA)
однорядный радиальный шарикоподшипник с пазом для ввода шариков 206