Главная > Подшипники> Шариковые> Радиально-упорные>71944 ACD/P4AL

71944 ACD/P4AL — Прецизионный радиально-упорный шарикоподшипник, импортное производство по ISO стандарту, размер 300x220x38 номер основного исполнения 71944.
Производитель: SKF.
ACD = Угол контакта 25 градусов. P4 = Точность конструкции P4, точность хода P4.
Цена от:62 040 р.
Цена на подшипник зависит от:
| Обозначение | Модификация |
|---|---|
| 71944 | Основное конструктивное исполнение. |
| 71944C | С = Необслуживаемые концы стержней, внутренняя резьба. |
| H71944C | С = Необслуживаемые концы стержней, внутренняя резьба. |
| 71944AC | AC = Угол контакта 25 градусов. |
| 71944 A | A = внутренняя модификация конструкции. |
| H71944AC | AC = Угол контакта 25 градусов. |
| H71944C/HQ1 | С = Необслуживаемые концы стержней, внутренняя резьба. |
| 71944 ATBP4 | ТВ = текстолитовый сепаратор, центрируемый по внутреннему кольцу. |
| 71944CVUJ74 | J = Сепаратор стальной штампованный незакалённый. Сорт стали 7. |
| 71944 CTBP4 | ТВ = текстолитовый сепаратор, центрируемый по внутреннему кольцу. |
| 71944HVUJ74 | J = Сепаратор стальной штампованный незакалённый. Сорт стали 7. |
| H71944AC/HQ1 | AC = Угол контакта 25 градусов. |
| 71944CVDUJ74 | DU = (RS1-SKF) = Уплотнительное контактное уплотнение из акрилонитрил-бутадиеновой резины (NBR) из листовой стали на одной стороне подшипника. |
| 71944 CD/P4A | CD = 15 градусов угол контакта. P4 = Точность размеров и вращения соответствуют классу точности 4 ISO. |
| 71944HVDUJ74 | DU = (RS1-SKF) = Уплотнительное контактное уплотнение из акрилонитрил-бутадиеновой резины (NBR) из листовой стали на одной стороне подшипника. |
| 71944 ACD/P4A | ACD = Угол контакта 25 градусов. P4 = Точность конструкции P4, точность хода P4. |
| 71944 CD/P4AL | CD = 15 градусов угол контакта. P4 = Точность размеров и вращения соответствуют классу точности 4 ISO. |
| B71944-E-T-P4S | E = (AC-SKF) = 25 градусов угол контакта. T = (сегмент TB-Cage) = текстильная слоистая Фенольный смола, направленная по наружному кольцу. сепаратор подходит для длительной эксплуатации при температуре до 100 градусов C. P = Литой сепаратор из стеклонаполненного полиамида 6,6, центрируемый по телам качения. |
| 71944 CD/HCP4A | P4 = Точность размеров и вращения соответствуют классу точности 4 ISO. |
| B71944-C-T-P4S | T = Нейлоновая клетка, армированная стекловолокном (радиальные роликовые подшипники). P = Литой сепаратор из стеклонаполненного полиамида 6,6, центрируемый по телам качения. |
| 71944 CD/HCP4AL | P4 = Точность размеров и вращения соответствуют классу точности 4 ISO. |
| 71944 ACD/HCP4A | ACD = Угол контакта 25 градусов. |
| HCB71944-C-T-P4S | T = Нейлоновая клетка, армированная стекловолокном (радиальные роликовые подшипники). P = Литой сепаратор из стеклонаполненного полиамида 6,6, центрируемый по телам качения. |
| HCB71944-E-T-P4S | E = (AC-SKF) = 25 градусов угол контакта. T = (сегмент TB-Cage) = текстильная слоистая Фенольный смола, направленная по наружному кольцу. сепаратор подходит для длительной эксплуатации при температуре до 100 градусов C. P = Литой сепаратор из стеклонаполненного полиамида 6,6, центрируемый по телам качения. |
| 71944 ACD/HCP4AL | ACD = Угол контакта 25 градусов. |
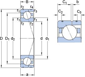
Габаритные размеры
Размеры и геометрические характеристики
Нагрузка и ресурс
Коэффициенты для расчета
Присоединительные размеры
Конструкция и исполнение
Прочие характеристики
Подшипник однорядный шариковый радиальный 61944-MA (ISB, NKE, SKF)
Подшипник однорядный шариковый радиальный 61944 (CX, ISO, SKF, ZEN)