Главная > Подшипники> Шариковые> Радиально-упорные>71926 CDF

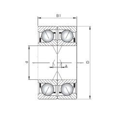
71926 CDF — Подшипник шариковый радиально-упорный, импортное производство по ISO стандарту, размер 130x180x48 номер основного исполнения .
Производитель: ISO.
Комплект подшипников расположенных лицом к лицу, дуплексная Х-образная пара.
Цена от:22 115 р.
Цена на подшипник зависит от:
Габаритные размеры
Размеры и геометрические характеристики
Защита
Присоединительные размеры
Конструкция и исполнение
Подшипник шариковый радиально-упорный 71926 C-UX (CX)
Подшипник шариковый радиально-упорный 71926 C-UD (CX)
Радиально-упорный шарикоподшипник 71926CVDUJ74 (SNR)
Радиально-упорный шарикоподшипник 71926HVDUJ74 (SNR)
Подшипник шариковый радиально-упорный 71926 CDB (ISO)
Подшипник шариковый радиально-упорный 71926 CDT (ISO)