Главная > Подшипники> Шариковые> Радиально-упорные>71926 C-UX

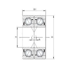
71926 C-UX — Подшипник шариковый радиально-упорный, импортное производство по ISO стандарту, размер 130x180x48 номер основного исполнения .
Производитель: CX.
X = Внешние размеры, соответствующие международным стандартам.
Цена от:22 115 р.
Цена на подшипник зависит от:
Габаритные размеры
Размеры и геометрические характеристики
Нагрузка и ресурс
Защита
Присоединительные размеры
Конструкция и исполнение
Подшипник шариковый радиально-упорный 71926 CDF (ISO)
Подшипник шариковый радиально-упорный 71926 C-UD (CX)
Радиально-упорный шарикоподшипник 71926CVDUJ74 (SNR)
Радиально-упорный шарикоподшипник 71926HVDUJ74 (SNR)
Подшипник шариковый радиально-упорный 71926 CDB (ISO)
Подшипник шариковый радиально-упорный 71926 CDT (ISO)