Главная > Подшипники> Шариковые> Радиально-упорные>7096 BM

7096 BM — однорядный радиально-упорный шарикоподшипник, импортное производство по ISO стандарту, размер 700x480x100 номер основного исполнения 7096.
Производитель: SKF.
B = 40 градусов угол контакта. M = обработанный латунный сепаратор, расположенныйна элементах качения.
Цена по запросу
Цена на подшипник зависит от:
Габаритные размеры
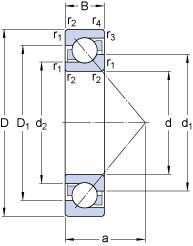
Размеры и геометрические характеристики
Нагрузка и ресурс
Коэффициенты для расчета
Присоединительные размеры
Прочие характеристики
Однорядный цилиндрический роликоподшипник NU 1096 MA (SKF)
ШарикоПодшипник с четырёхточечным контактом QJ 1096 N2MA (SKF)