Главная > Подшипники> Шариковые> Радиально-упорные>709 CE/HCP4AH

709 CE/HCP4AH — Прецизионный радиально-упорный шарикоподшипник, импортное производство по ISO стандарту, размер 24x9x7 номер основного исполнения .
Производитель: SKF.
P4 = Точность размеров и вращения соответствуют классу точности 4 ISO.
Цена от:3 110 р.
Цена на подшипник зависит от:
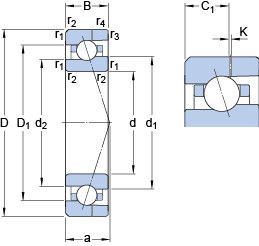
Габаритные размеры
Размеры и геометрические характеристики
Нагрузка и ресурс
Коэффициенты для расчета
Присоединительные размеры
Конструкция и исполнение
Прочие характеристики
радиальный шарикоподшипник из нержавеющей стали W 609-2RZ (SKF)
Подшипник шариковый из нержавеющей стали W 609-2Z (SKF)
радиальный шарикоподшипник из нержавеющей стали с наружным кольцом с фланцем W 609 R (SKF)
радиальный шарикоподшипник из нержавеющей стали W 609 (SKF)
Подшипник шариковый из нержавеющей стали W 609-2RS1 (SKF)
Прецизионный радиально-упорный шарикоподшипник 709 ACD/HCP4AH (SKF)