Главная > Подшипники> Шариковые> Радиальные>W 609-2RS1

W 609-2RS1 — Подшипник шариковый из нержавеющей стали, импортное производство по ISO стандарту, размер 24x9x7 номер основного исполнения W609.
Производитель: SKF.
Резиновые уплотнения с каждой стороны подшипника.
Цена от:466 р.
Цена на подшипник зависит от:
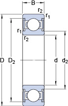
Габаритные размеры
Размеры и геометрические характеристики
Нагрузка и ресурс
Коэффициенты для расчета
Присоединительные размеры
Прочие характеристики
Прецизионный радиально-упорный шарикоподшипник 709 ACD/HCP4AH (SKF)
Прецизионный радиально-упорный шарикоподшипник 709 ACE/HCP4A (SKF)
Прецизионный радиально-упорный шарикоподшипник 709 CE/P4AH (SKF)
Прецизионный радиально-упорный шарикоподшипник 709 CE/P4A (SKF)
Прецизионный радиально-упорный шарикоподшипник 709 ACE/P4AH (SKF)
Прецизионный радиально-упорный шарикоподшипник 709 CD/P4AH (SKF)