Главная > Подшипники> Шариковые> Радиально-упорные>708 ATBP4

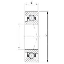
708 ATBP4 — Подшипник шариковый радиально-упорный, импортное производство по ISO стандарту, размер 8x22x7 номер основного исполнения .
Производитель: CX.
P4 = Точность размеров и вращения соответствуют классу точности 4 ISO.
Цена от:3 664 р.
Цена на подшипник зависит от:
Габаритные размеры
Размеры и геометрические характеристики
Нагрузка и ресурс
Защита
Отклонение, точность вращения
Конструкция и исполнение
Подшипник шариковый радиальный однорядный с одной защитной шайбой 60018
Подшипник шариковый упорный однонаправленный 1008
Подшипник шариковый радиальный самоцентрирующийся 108 TN9 (ISB, SKF)
Подшипник однорядный шариковый радиальный 608 ZZ (CRAFT, CX, FBJ, ISB, ISO)
Подшипник однорядный шариковый радиальный 608 2RSH.C3 (SKF)
Подшипник однорядный шариковый радиальный 608 RSH (SKF)