Главная > Подшипники> Шариковые> Радиально-упорные>707 ACE/P4AH

707 ACE/P4AH — Прецизионный радиально-упорный шарикоподшипник, импортное производство по ISO стандарту, размер 19x7x6 номер основного исполнения .
Производитель: SKF.
P4 = Точность размеров и вращения соответствуют классу точности 4 ISO.
Цена по запросу
Цена на подшипник зависит от:
Габаритные размеры
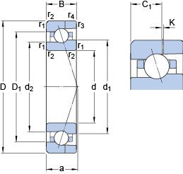
Размеры и геометрические характеристики
Нагрузка и ресурс
Коэффициенты для расчета
Присоединительные размеры
Конструкция и исполнение
Прочие характеристики
Подшипник однорядный шариковый радиальный 607/HR11TN (SKF)
Однорядный гибридный радиальный шарикоподшипник 607-2RSLTN9/HC5C3WTF1 (SKF)
радиальный шарикоподшипник из нержавеющей стали с наружным кольцом с фланцем W 607 R (SKF)
Подшипник шариковый из нержавеющей стали W 607-2RS1 (SKF)
Подшипник шариковый из нержавеющей стали W 607 (SKF)
радиальный шарикоподшипник из нержавеющей стали W 607-2RZ (SKF)