Главная > Подшипники> Шариковые> Радиально-упорные>707 ACE/P4A

707 ACE/P4A — Прецизионный радиально-упорный шарикоподшипник, импортное производство по ISO стандарту, размер 7x19x6 номер основного исполнения .
Производитель: SKF.
P4 = Точность размеров и вращения соответствуют классу точности 4 ISO.
Цена по запросу
Цена на подшипник зависит от:
Габаритные размеры
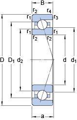
Размеры и геометрические характеристики
Нагрузка и ресурс
Коэффициенты для расчета
Присоединительные размеры
Конструкция и исполнение
Прочие характеристики
Подшипник однорядный шариковый радиальный 607 (CRAFT, CX, FAG, FBJ, Fersa)
Подшипник однорядный шариковый радиальный 607 2RSH.C3 (FAG)
Подшипник однорядный шариковый радиальный 607 2Z (FAG, NKE, SKF, ZEN)
Подшипник однорядный шариковый радиальный 607 2RS (CRAFT, CX, FAG, Fersa, ISB)
Подшипник однорядный шариковый радиальный 607 2RSH (FAG, SKF)