Главная > Подшипники> Шариковые> Радиально-упорные>706 CE/HCP4AH

706 CE/HCP4AH — Прецизионный радиально-упорный шарикоподшипник, импортное производство по ISO стандарту, размер 17x6x6 номер основного исполнения 706.
Производитель: SKF.
P4 = Точность размеров и вращения соответствуют классу точности 4 ISO.
Цена по запросу
Цена на подшипник зависит от:
| Обозначение | Модификация |
|---|---|
| 706 C | С = Необслуживаемые концы стержней, внутренняя резьба. |
| 706 A | A = внутренняя модификация конструкции. |
| 706 ATBP4 | ТВ = текстолитовый сепаратор, центрируемый по внутреннему кольцу. |
| 706 CTBP4 | ТВ = текстолитовый сепаратор, центрируемый по внутреннему кольцу. |
| 706 CE/P4A | P4 = Точность размеров и вращения соответствуют классу точности 4 ISO. |
| 706 CD/P4A | CD = 15 градусов угол контакта. P4 = Точность размеров и вращения соответствуют классу точности 4 ISO. |
| 706 CD/P4AH | CD = 15 градусов угол контакта. P4 = Точность размеров и вращения соответствуют классу точности 4 ISO. |
| 706 ACD/P4A | ACD = Угол контакта 25 градусов. P4 = Точность конструкции P4, точность хода P4. |
| 706 CE/P4AH | P4 = Точность размеров и вращения соответствуют классу точности 4 ISO. |
| 706 ACE/P4A | AC = Угол контакта 25 градусов. |
| 706 CE/HCP4A | P4 = Точность размеров и вращения соответствуют классу точности 4 ISO. |
| 706 CD/HCP4A | P4 = Точность размеров и вращения соответствуют классу точности 4 ISO. |
| 706 ACD/P4AH | ACD = Угол контакта 25 градусов. P4 = Точность конструкции P4, точность хода P4. |
| 706 ACE/P4AH | AC = Угол контакта 25 градусов. |
| 706 CD/HCP4AH | P4 = Точность размеров и вращения соответствуют классу точности 4 ISO. |
| 706 ACD/HCP4A | ACD = Угол контакта 25 градусов. |
| 706 ACE/HCP4A | AC = Угол контакта 25 градусов. |
| 706 ACD/HCP4AH | ACD = Угол контакта 25 градусов. |
| 706 ACE/HCP4AH | AC = Угол контакта 25 градусов. |
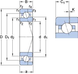
Габаритные размеры
Размеры и геометрические характеристики
Нагрузка и ресурс
Коэффициенты для расчета
Присоединительные размеры
Конструкция и исполнение
Прочие характеристики
радиальный шарикоподшипник из нержавеющей стали с наружным кольцом с фланцем W 606 R (SKF)
радиальный шарикоподшипник из нержавеющей стали с наружным кольцом с фланцем W 606 R-2RS1 (SKF)
радиальный шарикоподшипник из нержавеющей стали с наружным кольцом с фланцем W 606 R-2Z (SKF)