Главная > Подшипники>7034

7034 — Подшипник шариковый однорядный радиально-упорный, импортное производство по ISO стандарту, размер 170x260x42 основное исполнение.
Производится брендами: CYSD, KOYO, NACHI, NTN.
Цена от:19 501 р.
Цена на подшипник зависит от:
| Обозначение | Модификация |
|---|---|
| 7034 C | С = Необслуживаемые концы стержней, внутренняя резьба. |
| 7034AC | AC = Угол контакта 25 градусов. |
| 7034DT | T = Механически обработанный сепаратор из текстолита, центрируемый по телам качения. |
| H7034C | С = Необслуживаемые концы стержней, внутренняя резьба. |
| 7034DF | Комплект подшипников расположенных лицом к лицу, дуплексная Х-образная пара. |
| 7034DB | D = профиль наружного кольца, усовершенствованный, с увеличенной зоной несущей нагрузки и оптимизированными краевыми переходами. |
| 7034 B | B = однокомпонентное ребристое внутреннее кольцо. |
| 7034 A | A = внутренняя модификация конструкции. |
| 7034CP5 | P5 = Подшипники 5-го класса точности DIN |
| H7034AC | AC = Угол контакта 25 градусов. |
| 7034CPA | С = Необслуживаемые концы стержней, внутренняя резьба. |
| 7034CDB | С = Необслуживаемые концы стержней, внутренняя резьба. |
| 7034 BDB | B = 40 градусов угол контакта. DB = два однорядных радиальных шарикоподшипника, однорядные радиально-упорные шарикоподшипники или однорядные конические роликовые подшипники, подходящие для монтажа в расположении друг за другом. |
| 7034 CDT | С = Необслуживаемые концы стержней, внутренняя резьба. |
| 7034 CDF | Комплект подшипников расположенных лицом к лицу, дуплексная Х-образная пара. |
| 7034 BGM | B = 40 градусов угол контакта. G = Однорядный радиально-упорный шарикоподшипник для универсального парного монтажа. Два подшипника, установленные по 0-образной или Х-образной схеме, будут иметь определенный осевой зазор в домонтажном состоянии. |
| 7034CDBT | С = Необслуживаемые концы стержней, внутренняя резьба. |
| 7034 ADF | Комплект подшипников расположенных лицом к лицу, дуплексная Х-образная пара. |
| 7034 ADT | T = Механически обработанный сепаратор из текстолита, центрируемый по телам качения. |
| 7034 BDT | BD = Модифицированная внутренняя конструкция, угол контакта α = 30 градусов, без отверстия для заполнения. |
| 7034 BDF | B = 40 градусов угол контакта. DF = Два однорядных радиальных шарикоподшипника, однорядных радиально-упорных шарикоподшипника или однорядных конических роликоподшипника, согласованные для монтажа по Х-образной схеме. |
| 7034 ADB | A = Модифицированная внутренняя конструкция. DB = два однорядных радиальных шарикоподшипника, однорядные радиально-упорные шарикоподшипники или однорядные конические роликовые подшипники, подходящие для монтажа в расположении друг к другу. |
| 7034CTRSU | С = Необслуживаемые концы стержней, внутренняя резьба. |
| 7034 B-UX | X = Внешние размеры, соответствующие международным стандартам. |
| 7034 C-UO | С = Необслуживаемые концы стержней, внутренняя резьба. |
| 7034 A-UD | A = внутренняя модификация конструкции. |
| 7034 C-UX | С = Необслуживаемые концы стержней, внутренняя резьба. |
| 7034 B-UD | D = профиль наружного кольца, усовершенствованный, с увеличенной зоной несущей нагрузки и оптимизированными краевыми переходами. |
| 7034 B-UO | B = однокомпонентное ребристое внутреннее кольцо. |
| 7034BDBTT | B = 40 градусов угол контакта. DB = два однорядных радиальных шарикоподшипника, однорядные радиально-упорные шарикоподшипники или однорядные конические роликовые подшипники, подходящие для монтажа в расположении друг за другом. |
| 7034 A-UO | A = внутренняя модификация конструкции. |
| 7034 C-UD | С = Необслуживаемые концы стержней, внутренняя резьба. |
| 7034 A-UX | A = внутренняя модификация конструкции. |
| 7034CVUJ74 | J = Сепаратор стальной штампованный незакалённый. Сорт стали 7. |
| H7034C/HQ1 | С = Необслуживаемые концы стержней, внутренняя резьба. |
| 7034HVUJ74 | J = Сепаратор стальной штампованный незакалённый. Сорт стали 7. |
| 7034A5TRSU | Угол контакта 25 градусов. |
| 7034 CTBP4 | ТВ = текстолитовый сепаратор, центрируемый по внутреннему кольцу. |
| 7034 ATBP4 | ТВ = текстолитовый сепаратор, центрируемый по внутреннему кольцу. |
| 7034 CD/P4A | CD = 15 градусов угол контакта. P4 = Точность размеров и вращения соответствуют классу точности 4 ISO. |
| 7034CVDUJ74 | DU = (RS1-SKF) = Уплотнительное контактное уплотнение из акрилонитрил-бутадиеновой резины (NBR) из листовой стали на одной стороне подшипника. |
| H7034AC/HQ1 | AC = Угол контакта 25 градусов. |
| 7034HVDUJ74 | DU = (RS1-SKF) = Уплотнительное контактное уплотнение из акрилонитрил-бутадиеновой резины (NBR) из листовой стали на одной стороне подшипника. |
| 7034 CD/P4AL | CD = 15 градусов угол контакта. P4 = Точность размеров и вращения соответствуют классу точности 4 ISO. |
| 7034CDB/GLP5 | P5 = Подшипники 5-го класса точности DIN |
| 7034CDB/GNP5 | GN = нормальная предварительная нагрузка. P = Литой сепаратор из стеклонаполненного полиамида 6,6, центрируемый по телам качения. |
| 7034 ACD/P4A | ACD = Угол контакта 25 градусов. P4 = Точность конструкции P4, точность хода P4. |
| 7034 CD/HCP4A | P4 = Точность размеров и вращения соответствуют классу точности 4 ISO. |
| 7034CDBT/GMP5 | М = Механически обработанный латунный сепаратор, центрируемый по телам качения. P5 = Точность размеров и вращения соответствуют классу точности 5 ISO. |
| B7034-C-T-P4S | T = Нейлоновая клетка, армированная стекловолокном (радиальные роликовые подшипники). P = Литой сепаратор из стеклонаполненного полиамида 6,6, центрируемый по телам качения. |
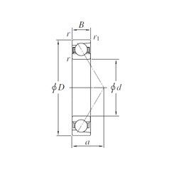
Габаритные размеры
Размеры и геометрические характеристики
Нагрузка и ресурс
Защита
Присоединительные размеры
Конструкция и исполнение
Однорядный цилиндрический роликовый подшипник NU1034 (CX, CYSD, FAG, ISB, ISO)
Подшипник однорядный шариковый радиальный 6034 (CX, CYSD, FAG, ISO, KOYO)
Подшипник шариковый радиальный однорядный 134
Подшипник роликовый радиальный с короткими цилиндрическими роликами без бортов на внутреннем кольце 32134
Однорядный цилиндрический роликовый подшипник NU1034 M1 (FAG)
Однорядный цилиндрический роликовый подшипник NU1034 M1.C3 (FAG)