Главная > Подшипники> Шариковые> Радиально-упорные>7019 CB/HCP4AL

7019 CB/HCP4AL — Прецизионный радиально-упорный шарикоподшипник, импортное производство по ISO стандарту, размер 145x95x24 номер основного исполнения 7019.
Производитель: SKF.
P4 = Точность размеров и вращения соответствуют классу точности 4 ISO.
Цена от:13 843 р.
Цена на подшипник зависит от:
| Обозначение | Модификация |
|---|---|
| 7019 | Основное конструктивное исполнение. |
| B7019 | |
| 7019P5 | P5 = Подшипники 5-го класса точности DIN |
| HS7019 | |
| 7019DF | Комплект подшипников расположенных лицом к лицу, дуплексная Х-образная пара. |
| 7019AC | AC = Угол контакта 25 градусов. |
| 7019DT | T = Механически обработанный сепаратор из текстолита, центрируемый по телам качения. |
| 7019 A | A = внутренняя модификация конструкции. |
| 7019DB | D = профиль наружного кольца, усовершенствованный, с увеличенной зоной несущей нагрузки и оптимизированными краевыми переходами. |
| 7019 C | С = Необслуживаемые концы стержней, внутренняя резьба. |
| H7019C | С = Необслуживаемые концы стержней, внутренняя резьба. |
| 7019 B | B = однокомпонентное ребристое внутреннее кольцо. |
| 7019CDB | С = Необслуживаемые концы стержней, внутренняя резьба. |
| 7019CDT | С = Необслуживаемые концы стержней, внутренняя резьба. |
| 7019CPA | С = Необслуживаемые концы стержней, внутренняя резьба. |
| H7019AC | AC = Угол контакта 25 градусов. |
| 7019CDF | Комплект подшипников расположенных лицом к лицу, дуплексная Х-образная пара. |
| 7019 ADB | A = Модифицированная внутренняя конструкция. DB = два однорядных радиальных шарикоподшипника, однорядные радиально-упорные шарикоподшипники или однорядные конические роликовые подшипники, подходящие для монтажа в расположении друг к другу. |
| 7019BDBT | B = 40 градусов угол контакта. DB = два однорядных радиальных шарикоподшипника, однорядные радиально-упорные шарикоподшипники или однорядные конические роликовые подшипники, подходящие для монтажа в расположении друг за другом. |
| 7019 ADF | Комплект подшипников расположенных лицом к лицу, дуплексная Х-образная пара. |
| 7019 ADT | T = Механически обработанный сепаратор из текстолита, центрируемый по телам качения. |
| 7019 BDT | BD = Модифицированная внутренняя конструкция, угол контакта α = 30 градусов, без отверстия для заполнения. |
| 7019 BDB | B = 40 градусов угол контакта. DB = два однорядных радиальных шарикоподшипника, однорядные радиально-упорные шарикоподшипники или однорядные конические роликовые подшипники, подходящие для монтажа в расположении друг за другом. |
| 7019 BDF | B = 40 градусов угол контакта. DF = Два однорядных радиальных шарикоподшипника, однорядных радиально-упорных шарикоподшипника или однорядных конических роликоподшипника, согласованные для монтажа по Х-образной схеме. |
| 7019 A-UX | A = внутренняя модификация конструкции. |
| 7019 B-UO | B = однокомпонентное ребристое внутреннее кольцо. |
| 7019CTRSU | С = Необслуживаемые концы стержней, внутренняя резьба. |
| 7019 B-UD | D = профиль наружного кольца, усовершенствованный, с увеличенной зоной несущей нагрузки и оптимизированными краевыми переходами. |
| 7019 C-UX | С = Необслуживаемые концы стержней, внутренняя резьба. |
| 7019 C-UD | С = Необслуживаемые концы стержней, внутренняя резьба. |
| 7019 B-UX | X = Внешние размеры, соответствующие международным стандартам. |
| 7019 C-UO | С = Необслуживаемые концы стержней, внутренняя резьба. |
| 7019 A-UO | A = внутренняя модификация конструкции. |
| 7019 A-UD | A = внутренняя модификация конструкции. |
| 7019HVUJ74 | J = Сепаратор стальной штампованный незакалённый. Сорт стали 7. |
| 7019 CTBP4 | ТВ = текстолитовый сепаратор, центрируемый по внутреннему кольцу. |
| 7019A5TRSU | Угол контакта 25 градусов. |
| 7019 ATBP4 | ТВ = текстолитовый сепаратор, центрируемый по внутреннему кольцу. |
| 7019CVUJ74 | J = Сепаратор стальной штампованный незакалённый. Сорт стали 7. |
| H7019C/HQ1 | С = Необслуживаемые концы стержней, внутренняя резьба. |
| 7019HVDUJ74 | DU = (RS1-SKF) = Уплотнительное контактное уплотнение из акрилонитрил-бутадиеновой резины (NBR) из листовой стали на одной стороне подшипника. |
| 7019 CD/P4A | CD = 15 градусов угол контакта. P4 = Точность размеров и вращения соответствуют классу точности 4 ISO. |
| 7019CVDUJ74 | DU = (RS1-SKF) = Уплотнительное контактное уплотнение из акрилонитрил-бутадиеновой резины (NBR) из листовой стали на одной стороне подшипника. |
| 7019 CB/P4A | P4 = Точность размеров и вращения соответствуют классу точности 4 ISO. |
| 7019 CE/P4A | P4 = Точность размеров и вращения соответствуют классу точности 4 ISO. |
| H7019AC/HQ1 | AC = Угол контакта 25 градусов. |
| 7019UCG/GNP4 | GN = нормальная предварительная нагрузка. P = Литой сепаратор из стеклонаполненного полиамида 6,6, центрируемый по телам качения. |
| 7019 ACB/P4A | AC = Угол контакта 25 градусов. |
| 7019 CE/P4AL | P4 = Точность размеров и вращения соответствуют классу точности 4 ISO. |
| 7019 CD/P4AL | CD = 15 градусов угол контакта. P4 = Точность размеров и вращения соответствуют классу точности 4 ISO. |
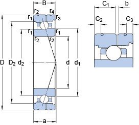
Габаритные размеры
Размеры и геометрические характеристики
Нагрузка и ресурс
Коэффициенты для расчета
Присоединительные размеры
Конструкция и исполнение
Прочие характеристики
Однорядный цилиндрический роликовый подшипник NU1019 ML (NKE, SKF)
Подшипник однорядный шариковый радиальный 6019 2RS1 (IBC, SKF)
Подшипник однорядный шариковый радиальный 6019-RS1 (SKF)