Главная > Подшипники> Шариковые> Радиально-упорные>7018 ACD/P4AH1

7018 ACD/P4AH1 — Прецизионный радиально-упорный шарикоподшипник, импортное производство по ISO стандарту, размер 140x90x24 номер основного исполнения 7018.
Производитель: SKF.
ACD = Угол контакта 25 градусов. P4 = Точность конструкции P4, точность хода P4.
Цена от:11 861 р.
Цена на подшипник зависит от:
| Обозначение | Модификация |
|---|---|
| 7018 | Основное конструктивное исполнение. |
| B7018 | |
| 7018 B | B = однокомпонентное ребристое внутреннее кольцо. |
| 7018 C | С = Необслуживаемые концы стержней, внутренняя резьба. |
| 7018 A | A = внутренняя модификация конструкции. |
| 7018AC | AC = Угол контакта 25 градусов. |
| 7018DF | Комплект подшипников расположенных лицом к лицу, дуплексная Х-образная пара. |
| 7018DT | T = Механически обработанный сепаратор из текстолита, центрируемый по телам качения. |
| 7018DB | D = профиль наружного кольца, усовершенствованный, с увеличенной зоной несущей нагрузки и оптимизированными краевыми переходами. |
| H7018C | С = Необслуживаемые концы стержней, внутренняя резьба. |
| 7018CDB | С = Необслуживаемые концы стержней, внутренняя резьба. |
| 7018UP5 | P5 = Подшипники 5-го класса точности DIN |
| 7018CPA | С = Необслуживаемые концы стержней, внутренняя резьба. |
| 7018CDT | С = Необслуживаемые концы стержней, внутренняя резьба. |
| 7018 ADT | T = Механически обработанный сепаратор из текстолита, центрируемый по телам качения. |
| 7018 BDF | B = 40 градусов угол контакта. DF = Два однорядных радиальных шарикоподшипника, однорядных радиально-упорных шарикоподшипника или однорядных конических роликоподшипника, согласованные для монтажа по Х-образной схеме. |
| 7018 BDB | B = 40 градусов угол контакта. DB = два однорядных радиальных шарикоподшипника, однорядные радиально-упорные шарикоподшипники или однорядные конические роликовые подшипники, подходящие для монтажа в расположении друг за другом. |
| 7018 ADB | A = Модифицированная внутренняя конструкция. DB = два однорядных радиальных шарикоподшипника, однорядные радиально-упорные шарикоподшипники или однорядные конические роликовые подшипники, подходящие для монтажа в расположении друг к другу. |
| 7018 ADF | Комплект подшипников расположенных лицом к лицу, дуплексная Х-образная пара. |
| 7018 CDF | Комплект подшипников расположенных лицом к лицу, дуплексная Х-образная пара. |
| 7018 BDT | BD = Модифицированная внутренняя конструкция, угол контакта α = 30 градусов, без отверстия для заполнения. |
| 7018 B-UD | D = профиль наружного кольца, усовершенствованный, с увеличенной зоной несущей нагрузки и оптимизированными краевыми переходами. |
| 7018 B-UX | X = Внешние размеры, соответствующие международным стандартам. |
| 7018 A-UO | A = внутренняя модификация конструкции. |
| 7018 B-UO | B = однокомпонентное ребристое внутреннее кольцо. |
| 7018 C-UD | С = Необслуживаемые концы стержней, внутренняя резьба. |
| 7018 C-UO | С = Необслуживаемые концы стержней, внутренняя резьба. |
| 7018 A-UX | A = внутренняя модификация конструкции. |
| 7018 A-UD | A = внутренняя модификация конструкции. |
| 7018CTRSU | С = Необслуживаемые концы стержней, внутренняя резьба. |
| 7018 C-UX | С = Необслуживаемые концы стержней, внутренняя резьба. |
| H7018C/HQ1 | С = Необслуживаемые концы стержней, внутренняя резьба. |
| 7018HVUJ74 | J = Сепаратор стальной штампованный незакалённый. Сорт стали 7. |
| 7018CVUJ74 | J = Сепаратор стальной штампованный незакалённый. Сорт стали 7. |
| 7018 CTBP4 | ТВ = текстолитовый сепаратор, центрируемый по внутреннему кольцу. |
| 7018A5TRSU | Угол контакта 25 градусов. |
| 7018 ATBP4 | ТВ = текстолитовый сепаратор, центрируемый по внутреннему кольцу. |
| 7018 CD/P4A | CD = 15 градусов угол контакта. P4 = Точность размеров и вращения соответствуют классу точности 4 ISO. |
| 7018CVDUJ74 | DU = (RS1-SKF) = Уплотнительное контактное уплотнение из акрилонитрил-бутадиеновой резины (NBR) из листовой стали на одной стороне подшипника. |
| 7018 CB/P4A | P4 = Точность размеров и вращения соответствуют классу точности 4 ISO. |
| 7018 CE/P4A | P4 = Точность размеров и вращения соответствуют классу точности 4 ISO. |
| 7018CG/GNP4 | GN = нормальная предварительная нагрузка. P = Литой сепаратор из стеклонаполненного полиамида 6,6, центрируемый по телам качения. |
| 7018HVDUJ74 | DU = (RS1-SKF) = Уплотнительное контактное уплотнение из акрилонитрил-бутадиеновой резины (NBR) из листовой стали на одной стороне подшипника. |
| H7018AC/HQ1 | AC = Угол контакта 25 градусов. |
| 7018 CD/P4AL | CD = 15 градусов угол контакта. P4 = Точность размеров и вращения соответствуют классу точности 4 ISO. |
| 7018 ACE/P4A | AC = Угол контакта 25 градусов. |
| 7018UCG/GNP4 | GN = нормальная предварительная нагрузка. P = Литой сепаратор из стеклонаполненного полиамида 6,6, центрируемый по телам качения. |
| 7018CDB/GNP4 | GN = нормальная предварительная нагрузка. P = Литой сепаратор из стеклонаполненного полиамида 6,6, центрируемый по телам качения. |
| 7018 CE/P4AL | P4 = Точность размеров и вращения соответствуют классу точности 4 ISO. |
| 7018UCG/GLP4 | P4 = Точность размеров и вращения соответствуют классу точности 4 ISO. |
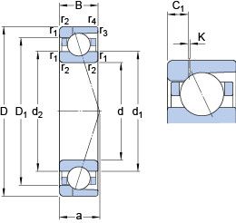
Габаритные размеры
Размеры и геометрические характеристики
Нагрузка и ресурс
Коэффициенты для расчета
Присоединительные размеры
Конструкция и исполнение
Прочие характеристики
Однорядный цилиндрический роликовый подшипник NU1018 M (AST, IBC, SKF)
Однорядный цилиндрический роликовый подшипник NU1018 ML (IBC, SKF)
Подшипник однорядный шариковый радиальный 6018-2RS1 (SKF)
Подшипник шариковый радиальный однорядный 6018-RS1 (SKF)
Подшипник однорядный шариковый радиальный 6018 M (SKF)