Главная > Подшипники> Шариковые> Радиально-упорные>7017 CE/HCP4AH1

7017 CE/HCP4AH1 — Прецизионный радиально-упорный шарикоподшипник, импортное производство по ISO стандарту, размер 85x130x22 номер основного исполнения 7017.
Производитель: SKF.
P4 = Точность размеров и вращения соответствуют классу точности 4 ISO.
Цена от:10 286 р.
Цена на подшипник зависит от:
| Обозначение | Модификация |
|---|---|
| 7017 | Основное конструктивное исполнение. |
| B7017 | |
| 7017DT | T = Механически обработанный сепаратор из текстолита, центрируемый по телам качения. |
| H7017C | С = Необслуживаемые концы стержней, внутренняя резьба. |
| HS7017 | |
| 7017DB | D = профиль наружного кольца, усовершенствованный, с увеличенной зоной несущей нагрузки и оптимизированными краевыми переходами. |
| 7017DF | Комплект подшипников расположенных лицом к лицу, дуплексная Х-образная пара. |
| 7017AC | AC = Угол контакта 25 градусов. |
| 7017 A | A = внутренняя модификация конструкции. |
| 7017 B | B = однокомпонентное ребристое внутреннее кольцо. |
| 7017 C | С = Необслуживаемые концы стержней, внутренняя резьба. |
| 7017CPA | С = Необслуживаемые концы стержней, внутренняя резьба. |
| 7017 ADF | Комплект подшипников расположенных лицом к лицу, дуплексная Х-образная пара. |
| 7017 CDB | С = Необслуживаемые концы стержней, внутренняя резьба. |
| 7017 BDF | B = 40 градусов угол контакта. DF = Два однорядных радиальных шарикоподшипника, однорядных радиально-упорных шарикоподшипника или однорядных конических роликоподшипника, согласованные для монтажа по Х-образной схеме. |
| 7017 BDB | B = 40 градусов угол контакта. DB = два однорядных радиальных шарикоподшипника, однорядные радиально-упорные шарикоподшипники или однорядные конические роликовые подшипники, подходящие для монтажа в расположении друг за другом. |
| 7017 CDT | С = Необслуживаемые концы стержней, внутренняя резьба. |
| 7017 ADT | T = Механически обработанный сепаратор из текстолита, центрируемый по телам качения. |
| 7017 ADB | A = Модифицированная внутренняя конструкция. DB = два однорядных радиальных шарикоподшипника, однорядные радиально-упорные шарикоподшипники или однорядные конические роликовые подшипники, подходящие для монтажа в расположении друг к другу. |
| 7017 BDT | BD = Модифицированная внутренняя конструкция, угол контакта α = 30 градусов, без отверстия для заполнения. |
| 7017 CDF | Комплект подшипников расположенных лицом к лицу, дуплексная Х-образная пара. |
| 7017 A-UD | A = внутренняя модификация конструкции. |
| 7017 C-UO | С = Необслуживаемые концы стержней, внутренняя резьба. |
| 7017 A-UO | A = внутренняя модификация конструкции. |
| 7017 B-UX | X = Внешние размеры, соответствующие международным стандартам. |
| 7017 C-UD | С = Необслуживаемые концы стержней, внутренняя резьба. |
| 7017 A-UX | A = внутренняя модификация конструкции. |
| 7017 C-UX | С = Необслуживаемые концы стержней, внутренняя резьба. |
| 7017 B-UD | D = профиль наружного кольца, усовершенствованный, с увеличенной зоной несущей нагрузки и оптимизированными краевыми переходами. |
| 7017 B-UO | B = однокомпонентное ребристое внутреннее кольцо. |
| 7017CTRSU | С = Необслуживаемые концы стержней, внутренняя резьба. |
| 7017 CTBP4 | ТВ = текстолитовый сепаратор, центрируемый по внутреннему кольцу. |
| H7017C/HQ1 | С = Необслуживаемые концы стержней, внутренняя резьба. |
| 7017CVUJ74 | J = Сепаратор стальной штампованный незакалённый. Сорт стали 7. |
| 7017 ATBP4 | ТВ = текстолитовый сепаратор, центрируемый по внутреннему кольцу. |
| 7017A5TRSU | Угол контакта 25 градусов. |
| 7017HVUJ74 | J = Сепаратор стальной штампованный незакалённый. Сорт стали 7. |
| 7017CVDUJ74 | DU = (RS1-SKF) = Уплотнительное контактное уплотнение из акрилонитрил-бутадиеновой резины (NBR) из листовой стали на одной стороне подшипника. |
| 7017HVDUJ74 | DU = (RS1-SKF) = Уплотнительное контактное уплотнение из акрилонитрил-бутадиеновой резины (NBR) из листовой стали на одной стороне подшипника. |
| 7017 CE/P4A | P4 = Точность размеров и вращения соответствуют классу точности 4 ISO. |
| 7017 CD/P4A | CD = 15 градусов угол контакта. P4 = Точность размеров и вращения соответствуют классу точности 4 ISO. |
| 7017 CB/P4A | P4 = Точность размеров и вращения соответствуют классу точности 4 ISO. |
| 7017 CB/P4AL | P4 = Точность размеров и вращения соответствуют классу точности 4 ISO. |
| 7017UCG/GNP4 | GN = нормальная предварительная нагрузка. P = Литой сепаратор из стеклонаполненного полиамида 6,6, центрируемый по телам качения. |
| S7017 CD/P4A | CD = 15 градусов угол контакта. P4 = Точность размеров и вращения соответствуют классу точности 4 ISO. |
| 7017 ACB/P4A | AC = Угол контакта 25 градусов. |
| 7017 ACD/P4A | ACD = Угол контакта 25 градусов. P4 = Точность конструкции P4, точность хода P4. |
| 7017 CE/P4AL | P4 = Точность размеров и вращения соответствуют классу точности 4 ISO. |
| 7017CDB/GMP5 | М = Механически обработанный латунный сепаратор, центрируемый по телам качения. P5 = Точность размеров и вращения соответствуют классу точности 5 ISO. |
| 7017CDB/GNP5 | GN = нормальная предварительная нагрузка. P = Литой сепаратор из стеклонаполненного полиамида 6,6, центрируемый по телам качения. |
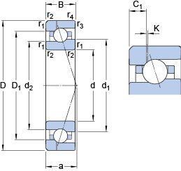
Габаритные размеры
Размеры и геометрические характеристики
Нагрузка и ресурс
Коэффициенты для расчета
Присоединительные размеры
Конструкция и исполнение
Прочие характеристики
Однорядный цилиндрический роликовый подшипник NU1017 (CX, CYSD, FBJ, ISB, ISO)
Однорядный цилиндрический роликовый подшипник NU1017 M.C3 (NKE)
Однорядный цилиндрический роликовый подшипник NU1017 M1 (FAG, NKE)
Подшипник однорядный шариковый радиальный 6017 ZZ (AST, CRAFT, CX, CYSD, FBJ)
Подшипник однорядный шариковый радиальный 6017 2RS.C3 (NSK)
Подшипник однорядный шариковый радиальный 6017 C3 (NSK)