Главная > Подшипники> Шариковые> Радиально-упорные>7015 ACE/P4AL1

7015 ACE/P4AL1 — Прецизионный радиально-упорный шарикоподшипник, импортное производство по ISO стандарту, размер 115x75x20 номер основного исполнения 7015.
Производитель: SKF.
P4 = Точность размеров и вращения соответствуют классу точности 4 ISO.
Цена от:11 373 р.
Цена на подшипник зависит от:
| Обозначение | Модификация |
|---|---|
| 7015 | Основное конструктивное исполнение. |
| B7015 | |
| 7015DB | D = профиль наружного кольца, усовершенствованный, с увеличенной зоной несущей нагрузки и оптимизированными краевыми переходами. |
| 7015DT | T = Механически обработанный сепаратор из текстолита, центрируемый по телам качения. |
| 7015 A | A = внутренняя модификация конструкции. |
| 7015 B | B = однокомпонентное ребристое внутреннее кольцо. |
| 7015DF | Комплект подшипников расположенных лицом к лицу, дуплексная Х-образная пара. |
| 7015AC | AC = Угол контакта 25 градусов. |
| H7015C | С = Необслуживаемые концы стержней, внутренняя резьба. |
| 7015 C | С = Необслуживаемые концы стержней, внутренняя резьба. |
| hs7015 | |
| 7015UP4 | UP = Специальный класс допуска для подшипников шпинделя станка. |
| 7015CPA | С = Необслуживаемые концы стержней, внутренняя резьба. |
| 7015CDB | С = Необслуживаемые концы стержней, внутренняя резьба. |
| H7015AC | AC = Угол контакта 25 градусов. |
| 7015CDF | Комплект подшипников расположенных лицом к лицу, дуплексная Х-образная пара. |
| 7015 ADB | A = Модифицированная внутренняя конструкция. DB = два однорядных радиальных шарикоподшипника, однорядные радиально-упорные шарикоподшипники или однорядные конические роликовые подшипники, подходящие для монтажа в расположении друг к другу. |
| 7015UCP4 | P4 = Точность размеров и вращения соответствуют классу точности 4 ISO. |
| 7015 ADT | T = Механически обработанный сепаратор из текстолита, центрируемый по телам качения. |
| 7015 CDT | С = Необслуживаемые концы стержней, внутренняя резьба. |
| 7015 BDF | B = 40 градусов угол контакта. DF = Два однорядных радиальных шарикоподшипника, однорядных радиально-упорных шарикоподшипника или однорядных конических роликоподшипника, согласованные для монтажа по Х-образной схеме. |
| 7015 BDB | B = 40 градусов угол контакта. DB = два однорядных радиальных шарикоподшипника, однорядные радиально-упорные шарикоподшипники или однорядные конические роликовые подшипники, подходящие для монтажа в расположении друг за другом. |
| 7015 BDT | BD = Модифицированная внутренняя конструкция, угол контакта α = 30 градусов, без отверстия для заполнения. |
| 7015 ADF | Комплект подшипников расположенных лицом к лицу, дуплексная Х-образная пара. |
| 7015 C-UD | С = Необслуживаемые концы стержней, внутренняя резьба. |
| 7015CTRSU | С = Необслуживаемые концы стержней, внутренняя резьба. |
| 7015 B-UD | D = профиль наружного кольца, усовершенствованный, с увеличенной зоной несущей нагрузки и оптимизированными краевыми переходами. |
| 7015 C-UX | С = Необслуживаемые концы стержней, внутренняя резьба. |
| 7015 B-UX | X = Внешние размеры, соответствующие международным стандартам. |
| 7015 C-UO | С = Необслуживаемые концы стержней, внутренняя резьба. |
| 7015 B-UO | B = однокомпонентное ребристое внутреннее кольцо. |
| 7015 A-UD | A = внутренняя модификация конструкции. |
| 7015 A-UX | A = внутренняя модификация конструкции. |
| 7015 A-UO | A = внутренняя модификация конструкции. |
| 7015 ATBP4 | ТВ = текстолитовый сепаратор, центрируемый по внутреннему кольцу. |
| 7015A5TRSU | Угол контакта 25 градусов. |
| 7015CVUJ74 | J = Сепаратор стальной штампованный незакалённый. Сорт стали 7. |
| 7015HVUJ74 | J = Сепаратор стальной штампованный незакалённый. Сорт стали 7. |
| 7015 CTBP4 | ТВ = текстолитовый сепаратор, центрируемый по внутреннему кольцу. |
| 7015 CB/P4A | P4 = Точность размеров и вращения соответствуют классу точности 4 ISO. |
| 7015CVDUJ74 | DU = (RS1-SKF) = Уплотнительное контактное уплотнение из акрилонитрил-бутадиеновой резины (NBR) из листовой стали на одной стороне подшипника. |
| 3NC 7015 FT | T = Механически обработанный сепаратор из текстолита, центрируемый по телам качения. |
| 7015HVDUJ74 | DU = (RS1-SKF) = Уплотнительное контактное уплотнение из акрилонитрил-бутадиеновой резины (NBR) из листовой стали на одной стороне подшипника. |
| 7015 CE/P4A | P4 = Точность размеров и вращения соответствуют классу точности 4 ISO. |
| 7015CG/GNP4 | GN = нормальная предварительная нагрузка. P = Литой сепаратор из стеклонаполненного полиамида 6,6, центрируемый по телам качения. |
| 7015 CD/P4A | CD = 15 градусов угол контакта. P4 = Точность размеров и вращения соответствуют классу точности 4 ISO. |
| 7015 ACB/P4A | AC = Угол контакта 25 градусов. |
| 7015 ACE/P4A | AC = Угол контакта 25 градусов. |
| 7015CDB/GNP5 | GN = нормальная предварительная нагрузка. P = Литой сепаратор из стеклонаполненного полиамида 6,6, центрируемый по телам качения. |
| S7015 CD/P4A | CD = 15 градусов угол контакта. P4 = Точность размеров и вращения соответствуют классу точности 4 ISO. |
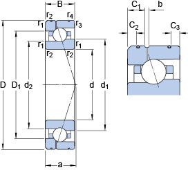
Габаритные размеры
Размеры и геометрические характеристики
Нагрузка и ресурс
Коэффициенты для расчета
Присоединительные размеры
Конструкция и исполнение
Прочие характеристики
Однорядный цилиндрический роликовый подшипник NU1015 M (AST, NKE, SKF)
Подшипник однорядный шариковый радиальный 6015-2Z (FAG, NKE, SKF, ZEN)
Подшипник однорядный шариковый радиальный 6015-2RS1 (SKF)
Подшипник однорядный шариковый радиальный 6015 M (SKF)
Подшипник шариковый радиальный однорядный 6015-RZ (ISB, SKF)
Подшипник однорядный шариковый радиальный 6015-RS1 (SKF)