Главная > Подшипники> Шариковые> Радиально-упорные>7013 ACD/P4AH1

7013 ACD/P4AH1 — Прецизионный радиально-упорный шарикоподшипник, импортное производство по ISO стандарту, размер 100x65x18 номер основного исполнения 7013.
Производитель: SKF.
ACD = Угол контакта 25 градусов. P4 = Точность конструкции P4, точность хода P4.
Цена от:4 421 р.
Цена на подшипник зависит от:
| Обозначение | Модификация |
|---|---|
| 7013 | Основное конструктивное исполнение. |
| 7013C | С = Необслуживаемые концы стержней, внутренняя резьба. |
| 7013 A | A = внутренняя модификация конструкции. |
| HS7013 | |
| 7013DF | Комплект подшипников расположенных лицом к лицу, дуплексная Х-образная пара. |
| 7013AC | AC = Угол контакта 25 градусов. |
| 7013DT | T = Механически обработанный сепаратор из текстолита, центрируемый по телам качения. |
| 7013 B | B = однокомпонентное ребристое внутреннее кольцо. |
| 7013DB | D = профиль наружного кольца, усовершенствованный, с увеличенной зоной несущей нагрузки и оптимизированными краевыми переходами. |
| 7013CDB | С = Необслуживаемые концы стержней, внутренняя резьба. |
| 7013CPA | С = Необслуживаемые концы стержней, внутренняя резьба. |
| 7013CDT | С = Необслуживаемые концы стержней, внутренняя резьба. |
| RB 7013 | |
| RE 7013 | |
| 7013 CDF | Комплект подшипников расположенных лицом к лицу, дуплексная Х-образная пара. |
| CRB 7013 | |
| 7013 BDT | BD = Модифицированная внутренняя конструкция, угол контакта α = 30 градусов, без отверстия для заполнения. |
| 7013 ADB | A = Модифицированная внутренняя конструкция. DB = два однорядных радиальных шарикоподшипника, однорядные радиально-упорные шарикоподшипники или однорядные конические роликовые подшипники, подходящие для монтажа в расположении друг к другу. |
| 7013 ADT | T = Механически обработанный сепаратор из текстолита, центрируемый по телам качения. |
| 7013 BDF | B = 40 градусов угол контакта. DF = Два однорядных радиальных шарикоподшипника, однорядных радиально-упорных шарикоподшипника или однорядных конических роликоподшипника, согласованные для монтажа по Х-образной схеме. |
| 7013 BDB | B = 40 градусов угол контакта. DB = два однорядных радиальных шарикоподшипника, однорядные радиально-упорные шарикоподшипники или однорядные конические роликовые подшипники, подходящие для монтажа в расположении друг за другом. |
| 7013 ADF | Комплект подшипников расположенных лицом к лицу, дуплексная Х-образная пара. |
| 7013 A-UD | A = внутренняя модификация конструкции. |
| 7013 B-UD | D = профиль наружного кольца, усовершенствованный, с увеличенной зоной несущей нагрузки и оптимизированными краевыми переходами. |
| 7013 B-UO | B = однокомпонентное ребристое внутреннее кольцо. |
| 7013 C-UX | С = Необслуживаемые концы стержней, внутренняя резьба. |
| CRBC 7013 | С = Необслуживаемые концы стержней, внутренняя резьба. |
| 7013CTRSU | С = Необслуживаемые концы стержней, внутренняя резьба. |
| 7013 C-UO | С = Необслуживаемые концы стержней, внутренняя резьба. |
| 7013 A-UO | A = внутренняя модификация конструкции. |
| 7013 C-UD | С = Необслуживаемые концы стержней, внутренняя резьба. |
| 7013 A-UX | A = внутренняя модификация конструкции. |
| 7013 B-UX | X = Внешние размеры, соответствующие международным стандартам. |
| 7013 ATBP4 | ТВ = текстолитовый сепаратор, центрируемый по внутреннему кольцу. |
| 7013 CTBP4 | ТВ = текстолитовый сепаратор, центрируемый по внутреннему кольцу. |
| 7013CVUJ74 | J = Сепаратор стальной штампованный незакалённый. Сорт стали 7. |
| 7013A5TRSU | Угол контакта 25 градусов. |
| 7013HVUJ74 | J = Сепаратор стальной штампованный незакалённый. Сорт стали 7. |
| 7013HVDUJ74 | DU = (RS1-SKF) = Уплотнительное контактное уплотнение из акрилонитрил-бутадиеновой резины (NBR) из листовой стали на одной стороне подшипника. |
| CRB 7013 UU | Резиновое уплотнение на каждой стороне подшипника. |
| CRBH 7013 A | A = внутренняя модификация конструкции. |
| 7013 CB/P4A | P4 = Точность размеров и вращения соответствуют классу точности 4 ISO. |
| 7013CG/GNP4 | GN = нормальная предварительная нагрузка. P = Литой сепаратор из стеклонаполненного полиамида 6,6, центрируемый по телам качения. |
| 7013CVDUJ74 | DU = (RS1-SKF) = Уплотнительное контактное уплотнение из акрилонитрил-бутадиеновой резины (NBR) из листовой стали на одной стороне подшипника. |
| 3NC 7013 FT | T = Механически обработанный сепаратор из текстолита, центрируемый по телам качения. |
| 7013 CD/P4A | CD = 15 градусов угол контакта. P4 = Точность размеров и вращения соответствуют классу точности 4 ISO. |
| 7013 CE/P4A | P4 = Точность размеров и вращения соответствуют классу точности 4 ISO. |
| 7013 CE/P4AL | P4 = Точность размеров и вращения соответствуют классу точности 4 ISO. |
| 7013UCG/GNP4 | GN = нормальная предварительная нагрузка. P = Литой сепаратор из стеклонаполненного полиамида 6,6, центрируемый по телам качения. |
| S7013 CD/P4A | CD = 15 градусов угол контакта. P4 = Точность размеров и вращения соответствуют классу точности 4 ISO. |
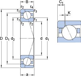
Габаритные размеры
Размеры и геометрические характеристики
Нагрузка и ресурс
Коэффициенты для расчета
Присоединительные размеры
Конструкция и исполнение
Прочие характеристики
Однорядный цилиндрический роликовый подшипник NU1013 ML (NKE, SKF)
Однорядный цилиндрический роликоподшипник NU 1013 ECP (SKF)
Однорядный цилиндрический роликоподшипник NU 1013 ECPH (SKF)