Главная > Подшипники> Шариковые> Радиально-упорные>7009 ACE/HCP4AL1

7009 ACE/HCP4AL1 — Прецизионный радиально-упорный шарикоподшипник, импортное производство по ISO стандарту, размер 75x45x16 номер основного исполнения 7009.
Производитель: SKF.
P4 = Точность размеров и вращения соответствуют классу точности 4 ISO.
Цена от:2 809 р.
Цена на подшипник зависит от:
| Обозначение | Модификация |
|---|---|
| 7009 | Основное конструктивное исполнение. |
| B7009 | |
| 7009 C | С = Необслуживаемые концы стержней, внутренняя резьба. |
| 7009 B | B = однокомпонентное ребристое внутреннее кольцо. |
| 7009DT | T = Механически обработанный сепаратор из текстолита, центрируемый по телам качения. |
| HS7009 | |
| 7009 A | A = внутренняя модификация конструкции. |
| 7009DF | Комплект подшипников расположенных лицом к лицу, дуплексная Х-образная пара. |
| 7009DB | D = профиль наружного кольца, усовершенствованный, с увеличенной зоной несущей нагрузки и оптимизированными краевыми переходами. |
| 7009AC | AC = Угол контакта 25 градусов. |
| 7009CPA | С = Необслуживаемые концы стержней, внутренняя резьба. |
| 7009 ADT | T = Механически обработанный сепаратор из текстолита, центрируемый по телам качения. |
| 7009 CDB | С = Необслуживаемые концы стержней, внутренняя резьба. |
| 7009 BDT | BD = Модифицированная внутренняя конструкция, угол контакта α = 30 градусов, без отверстия для заполнения. |
| 7009 ADB | A = Модифицированная внутренняя конструкция. DB = два однорядных радиальных шарикоподшипника, однорядные радиально-упорные шарикоподшипники или однорядные конические роликовые подшипники, подходящие для монтажа в расположении друг к другу. |
| 7009 BDB | B = 40 градусов угол контакта. DB = два однорядных радиальных шарикоподшипника, однорядные радиально-упорные шарикоподшипники или однорядные конические роликовые подшипники, подходящие для монтажа в расположении друг за другом. |
| 7009 CDT | С = Необслуживаемые концы стержней, внутренняя резьба. |
| 7009 CDF | Комплект подшипников расположенных лицом к лицу, дуплексная Х-образная пара. |
| 7009 BDF | B = 40 градусов угол контакта. DF = Два однорядных радиальных шарикоподшипника, однорядных радиально-упорных шарикоподшипника или однорядных конических роликоподшипника, согласованные для монтажа по Х-образной схеме. |
| 7009 ADF | Комплект подшипников расположенных лицом к лицу, дуплексная Х-образная пара. |
| 7009 B-UO | B = однокомпонентное ребристое внутреннее кольцо. |
| 7009CTRSU | С = Необслуживаемые концы стержней, внутренняя резьба. |
| 7009 C-UO | С = Необслуживаемые концы стержней, внутренняя резьба. |
| 7009 A-UX | A = внутренняя модификация конструкции. |
| 7009 C-UX | С = Необслуживаемые концы стержней, внутренняя резьба. |
| 7009 B-UD | D = профиль наружного кольца, усовершенствованный, с увеличенной зоной несущей нагрузки и оптимизированными краевыми переходами. |
| 7009 B-UX | X = Внешние размеры, соответствующие международным стандартам. |
| 7009 A-UD | A = внутренняя модификация конструкции. |
| 7009 A-UO | A = внутренняя модификация конструкции. |
| 7009 C-UD | С = Необслуживаемые концы стержней, внутренняя резьба. |
| 7009HVUJ74 | J = Сепаратор стальной штампованный незакалённый. Сорт стали 7. |
| 7009CVUJ74 | J = Сепаратор стальной штампованный незакалённый. Сорт стали 7. |
| 7009 ATBP4 | ТВ = текстолитовый сепаратор, центрируемый по внутреннему кольцу. |
| 7009A5TRSU | Угол контакта 25 градусов. |
| 7009 CTBP4 | ТВ = текстолитовый сепаратор, центрируемый по внутреннему кольцу. |
| 7009G/GNP4 | GN = нормальная предварительная нагрузка. P = Литой сепаратор из стеклонаполненного полиамида 6,6, центрируемый по телам качения. |
| 7009CVDUJ74 | DU = (RS1-SKF) = Уплотнительное контактное уплотнение из акрилонитрил-бутадиеновой резины (NBR) из листовой стали на одной стороне подшипника. |
| 7009 CE/P4A | P4 = Точность размеров и вращения соответствуют классу точности 4 ISO. |
| 7009UG/GNP4 | GN = нормальная предварительная нагрузка. P = Литой сепаратор из стеклонаполненного полиамида 6,6, центрируемый по телам качения. |
| 7009 CB/P4A | P4 = Точность размеров и вращения соответствуют классу точности 4 ISO. |
| 3NC 7009 FT | T = Механически обработанный сепаратор из текстолита, центрируемый по телам качения. |
| 7009CG/GNP4 | GN = нормальная предварительная нагрузка. P = Литой сепаратор из стеклонаполненного полиамида 6,6, центрируемый по телам качения. |
| S7009 FW/HC | С = Необслуживаемые концы стержней, внутренняя резьба. |
| 7009HVDUJ74 | DU = (RS1-SKF) = Уплотнительное контактное уплотнение из акрилонитрил-бутадиеновой резины (NBR) из листовой стали на одной стороне подшипника. |
| 7009 CD/P4A | CD = 15 градусов угол контакта. P4 = Точность размеров и вращения соответствуют классу точности 4 ISO. |
| 7009CDF/GLP4 | Комплект подшипников расположенных лицом к лицу, дуплексная Х-образная пара. |
| S7009 CD/P4A | CD = 15 градусов угол контакта. P4 = Точность размеров и вращения соответствуют классу точности 4 ISO. |
| 7009 ACE/P4A | AC = Угол контакта 25 градусов. |
| 7009UCG/GNP4 | GN = нормальная предварительная нагрузка. P = Литой сепаратор из стеклонаполненного полиамида 6,6, центрируемый по телам качения. |
| 7009 CE/P4AL | P4 = Точность размеров и вращения соответствуют классу точности 4 ISO. |
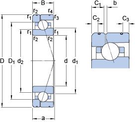
Габаритные размеры
Размеры и геометрические характеристики
Нагрузка и ресурс
Коэффициенты для расчета
Присоединительные размеры
Конструкция и исполнение
Прочие характеристики
Однорядный цилиндрический роликовый подшипник NU1009 ECP (SKF)
Подшипник однорядный шариковый радиальный 63009-2RS1 (SKF)
Подшипник шариковый из нержавеющей стали W 6009-2RS1 (SKF)
радиальный шарикоподшипник из нержавеющей стали W 6009 (SKF)
радиальный шарикоподшипник из нержавеющей стали W 6009-2RZ (SKF)
Подшипник шариковый из нержавеющей стали W 6009-2Z (SKF)