Главная > Подшипники> Шариковые> Радиально-упорные>7008 ACD/P4AH

7008 ACD/P4AH — Прецизионный радиально-упорный шарикоподшипник, импортное производство по ISO стандарту, размер 68x40x15 номер основного исполнения 7008.
Производитель: SKF.
ACD = Угол контакта 25 градусов. P4 = Точность конструкции P4, точность хода P4.
Цена от:2 671 р.
Цена на подшипник зависит от:
| Обозначение | Модификация |
|---|---|
| 7008 | Основное конструктивное исполнение. |
| 7008B | B = однокомпонентное ребристое внутреннее кольцо. |
| B7008 | |
| 7008 A | A = внутренняя модификация конструкции. |
| 7008DT | T = Механически обработанный сепаратор из текстолита, центрируемый по телам качения. |
| 7008 C | С = Необслуживаемые концы стержней, внутренняя резьба. |
| 7008DB | D = профиль наружного кольца, усовершенствованный, с увеличенной зоной несущей нагрузки и оптимизированными краевыми переходами. |
| HS7008 | |
| 7008AC | AC = Угол контакта 25 градусов. |
| 7008DF | Комплект подшипников расположенных лицом к лицу, дуплексная Х-образная пара. |
| 7008CDF | Комплект подшипников расположенных лицом к лицу, дуплексная Х-образная пара. |
| 7008CPA | С = Необслуживаемые концы стержней, внутренняя резьба. |
| 7008CDB | С = Необслуживаемые концы стержней, внутренняя резьба. |
| NC7008V | V = Увеличенная грузоподъемность, внутренняя модификация конструкции. |
| 7008 BDT | BD = Модифицированная внутренняя конструкция, угол контакта α = 30 градусов, без отверстия для заполнения. |
| 7008 ADF | Комплект подшипников расположенных лицом к лицу, дуплексная Х-образная пара. |
| 7008 ADT | T = Механически обработанный сепаратор из текстолита, центрируемый по телам качения. |
| 7008 BDF | B = 40 градусов угол контакта. DF = Два однорядных радиальных шарикоподшипника, однорядных радиально-упорных шарикоподшипника или однорядных конических роликоподшипника, согласованные для монтажа по Х-образной схеме. |
| 7008 BDB | B = 40 градусов угол контакта. DB = два однорядных радиальных шарикоподшипника, однорядные радиально-упорные шарикоподшипники или однорядные конические роликовые подшипники, подходящие для монтажа в расположении друг за другом. |
| 7008 ADB | A = Модифицированная внутренняя конструкция. DB = два однорядных радиальных шарикоподшипника, однорядные радиально-упорные шарикоподшипники или однорядные конические роликовые подшипники, подходящие для монтажа в расположении друг к другу. |
| 7008 CDT | С = Необслуживаемые концы стержней, внутренняя резьба. |
| 7008 B-UX | X = Внешние размеры, соответствующие международным стандартам. |
| 7008 A-UD | A = внутренняя модификация конструкции. |
| 7008 A-UO | A = внутренняя модификация конструкции. |
| 7008 A-UX | A = внутренняя модификация конструкции. |
| 7008 C-UD | С = Необслуживаемые концы стержней, внутренняя резьба. |
| 7008 B-UD | D = профиль наружного кольца, усовершенствованный, с увеличенной зоной несущей нагрузки и оптимизированными краевыми переходами. |
| 7008CTRSU | С = Необслуживаемые концы стержней, внутренняя резьба. |
| 7008 C-UO | С = Необслуживаемые концы стержней, внутренняя резьба. |
| 7008 B-UO | B = однокомпонентное ребристое внутреннее кольцо. |
| 7008 C-UX | С = Необслуживаемые концы стержней, внутренняя резьба. |
| 7008 ATBP4 | ТВ = текстолитовый сепаратор, центрируемый по внутреннему кольцу. |
| 7008CVUJ74 | J = Сепаратор стальной штампованный незакалённый. Сорт стали 7. |
| 7008HVUJ74 | J = Сепаратор стальной штампованный незакалённый. Сорт стали 7. |
| 7008-B-TVP | TVP = сегментный сепаратор, изготовленный из армированного стекловолокном полиамида PA66 направленная по роликам. |
| 7008 CTBP4 | ТВ = текстолитовый сепаратор, центрируемый по внутреннему кольцу. |
| 7008A5TRSU | Угол контакта 25 градусов. |
| 7008HVDUJ74 | DU = (RS1-SKF) = Уплотнительное контактное уплотнение из акрилонитрил-бутадиеновой резины (NBR) из листовой стали на одной стороне подшипника. |
| 7008 CD/P4A | CD = 15 градусов угол контакта. P4 = Точность размеров и вращения соответствуют классу точности 4 ISO. |
| 7008 CE/P4A | P4 = Точность размеров и вращения соответствуют классу точности 4 ISO. |
| 7008 CB/P4A | P4 = Точность размеров и вращения соответствуют классу точности 4 ISO. |
| S7008 FW/HC | С = Необслуживаемые концы стержней, внутренняя резьба. |
| 7008CVDUJ74 | DU = (RS1-SKF) = Уплотнительное контактное уплотнение из акрилонитрил-бутадиеновой резины (NBR) из листовой стали на одной стороне подшипника. |
| 3NC 7008 FT | T = Механически обработанный сепаратор из текстолита, центрируемый по телам качения. |
| 7008UG/GMP4 | М = Механически обработанный латунный сепаратор, центрируемый по телам качения. P4 = Точность размеров и вращения соответствуют классу точности 4 ISO. |
| 7008UCG/GNP4 | GN = нормальная предварительная нагрузка. P = Литой сепаратор из стеклонаполненного полиамида 6,6, центрируемый по телам качения. |
| S7008 CB/P4A | P4 = Точность размеров и вращения соответствуют классу точности 4 ISO. |
| 7008CDB/GLP4 | B = 40 градусов угол контакта. G = Однорядный радиально-упорный шарикоподшипник для универсального парного монтажа. Два подшипника, установленные по 0-образной или Х-образной схеме, будут иметь определенный осевой зазор в домонтажном состоянии. |
| 7008 ACB/P4A | AC = Угол контакта 25 градусов. |
| 7008UDB/GMP5 | М = Механически обработанный латунный сепаратор, центрируемый по телам качения. P5 = Точность размеров и вращения соответствуют классу точности 5 ISO. |
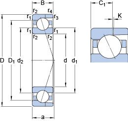
Габаритные размеры
Размеры и геометрические характеристики
Нагрузка и ресурс
Коэффициенты для расчета
Присоединительные размеры
Конструкция и исполнение
Прочие характеристики
Однорядный цилиндрический роликовый подшипник NU1008 ML (FAG, SKF)
Подшипник шариковый радиальный однорядный E2.6008-2Z (SKF)
радиальный шарикоподшипник из нержавеющей стали W 6008-2RZ (SKF)
радиальный шарикоподшипник из нержавеющей стали W 6008-2Z (SKF)
радиальный шарикоподшипник из нержавеющей стали W 6008-2RS1/VP311 (SKF)
радиальный шарикоподшипник из нержавеющей стали W 6008 (SKF)