Главная > Подшипники> Шариковые> Радиально-упорные>7005 CE/HCP4AH1

7005 CE/HCP4AH1 — Прецизионный радиально-упорный шарикоподшипник, импортное производство по ISO стандарту, размер 47x25x12 номер основного исполнения 7005.
Производитель: SKF.
P4 = Точность размеров и вращения соответствуют классу точности 4 ISO.
Цена от:2 146 р.
Цена на подшипник зависит от:
| Обозначение | Модификация |
|---|---|
| 7005 | Основное конструктивное исполнение. |
| 7005 B | B = однокомпонентное ребристое внутреннее кольцо. |
| 7005 C | С = Необслуживаемые концы стержней, внутренняя резьба. |
| 7005AC | AC = Угол контакта 25 градусов. |
| 7005DF | Комплект подшипников расположенных лицом к лицу, дуплексная Х-образная пара. |
| 7005DT | T = Механически обработанный сепаратор из текстолита, центрируемый по телам качения. |
| 7005DB | D = профиль наружного кольца, усовершенствованный, с увеличенной зоной несущей нагрузки и оптимизированными краевыми переходами. |
| HS7005 | |
| 7005 A | A = внутренняя модификация конструкции. |
| 7005CPA | С = Необслуживаемые концы стержней, внутренняя резьба. |
| 7005CDT | С = Необслуживаемые концы стержней, внутренняя резьба. |
| NC7005V | V = Увеличенная грузоподъемность, внутренняя модификация конструкции. |
| 7005CDF | Комплект подшипников расположенных лицом к лицу, дуплексная Х-образная пара. |
| 7005 CDB | С = Необслуживаемые концы стержней, внутренняя резьба. |
| 7005 BDB | B = 40 градусов угол контакта. DB = два однорядных радиальных шарикоподшипника, однорядные радиально-упорные шарикоподшипники или однорядные конические роликовые подшипники, подходящие для монтажа в расположении друг за другом. |
| 7005UCP5 | P5 = Подшипники 5-го класса точности DIN |
| 7005 ADB | A = Модифицированная внутренняя конструкция. DB = два однорядных радиальных шарикоподшипника, однорядные радиально-упорные шарикоподшипники или однорядные конические роликовые подшипники, подходящие для монтажа в расположении друг к другу. |
| 7005 BDF | B = 40 градусов угол контакта. DF = Два однорядных радиальных шарикоподшипника, однорядных радиально-упорных шарикоподшипника или однорядных конических роликоподшипника, согласованные для монтажа по Х-образной схеме. |
| 7005 ADF | Комплект подшипников расположенных лицом к лицу, дуплексная Х-образная пара. |
| 7005 ADT | T = Механически обработанный сепаратор из текстолита, центрируемый по телам качения. |
| 7005 BDT | BD = Модифицированная внутренняя конструкция, угол контакта α = 30 градусов, без отверстия для заполнения. |
| 7005 C-UD | С = Необслуживаемые концы стержней, внутренняя резьба. |
| 7005 B-UO | B = однокомпонентное ребристое внутреннее кольцо. |
| SM7005CP5 | P5 = Подшипники 5-го класса точности DIN |
| 7005 A-UO | A = внутренняя модификация конструкции. |
| 7005 B-UX | X = Внешние размеры, соответствующие международным стандартам. |
| 7005 A-UX | A = внутренняя модификация конструкции. |
| 7005 C-UX | С = Необслуживаемые концы стержней, внутренняя резьба. |
| 7005 C-UO | С = Необслуживаемые концы стержней, внутренняя резьба. |
| 7005 B-UD | D = профиль наружного кольца, усовершенствованный, с увеличенной зоной несущей нагрузки и оптимизированными краевыми переходами. |
| 7005CTRSU | С = Необслуживаемые концы стержней, внутренняя резьба. |
| 7005 A-UD | A = внутренняя модификация конструкции. |
| 7005HVUJ74 | J = Сепаратор стальной штампованный незакалённый. Сорт стали 7. |
| 7005A5TRSU | Угол контакта 25 градусов. |
| 7005 CTBP4 | ТВ = текстолитовый сепаратор, центрируемый по внутреннему кольцу. |
| 7005CVUJ74 | J = Сепаратор стальной штампованный незакалённый. Сорт стали 7. |
| 7005 ATBP4 | ТВ = текстолитовый сепаратор, центрируемый по внутреннему кольцу. |
| 7005-B-TVP | TVP = сегментный сепаратор, изготовленный из армированного стекловолокном полиамида PA66 направленная по роликам. |
| 7005HVDUJ74 | DU = (RS1-SKF) = Уплотнительное контактное уплотнение из акрилонитрил-бутадиеновой резины (NBR) из листовой стали на одной стороне подшипника. |
| 7005 CD/P4A | CD = 15 градусов угол контакта. P4 = Точность размеров и вращения соответствуют классу точности 4 ISO. |
| S7005 FW/HC | С = Необслуживаемые концы стержней, внутренняя резьба. |
| 7005UG/GMP4 | М = Механически обработанный латунный сепаратор, центрируемый по телам качения. P4 = Точность размеров и вращения соответствуют классу точности 4 ISO. |
| 3NC 7005 FT | T = Механически обработанный сепаратор из текстолита, центрируемый по телам качения. |
| 7005CVDUJ74 | DU = (RS1-SKF) = Уплотнительное контактное уплотнение из акрилонитрил-бутадиеновой резины (NBR) из листовой стали на одной стороне подшипника. |
| 7005 CE/P4A | P4 = Точность размеров и вращения соответствуют классу точности 4 ISO. |
| 7005UG/GLP4 | P4 = Точность размеров и вращения соответствуют классу точности 4 ISO. |
| 7005CG/GMP4 | М = Механически обработанный латунный сепаратор, центрируемый по телам качения. P4 = Точность размеров и вращения соответствуют классу точности 4 ISO. |
| 7005UCG/GNP4 | GN = нормальная предварительная нагрузка. P = Литой сепаратор из стеклонаполненного полиамида 6,6, центрируемый по телам качения. |
| S7005 CE/P4A | P4 = Точность размеров и вращения соответствуют классу точности 4 ISO. |
| 7005UG/GNP42 | GN = нормальная предварительная нагрузка. P = Литой сепаратор из стеклонаполненного полиамида 6,6, центрируемый по телам качения. |
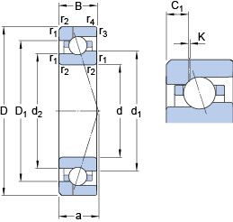
Габаритные размеры
Размеры и геометрические характеристики
Нагрузка и ресурс
Коэффициенты для расчета
Присоединительные размеры
Конструкция и исполнение
Прочие характеристики
Подшипник шариковый из нержавеющей стали W 6005 (SKF)
Подшипник однорядный шариковый радиальный E2.6005-2Z (SKF)
Подшипник шариковый радиальный однорядный E2.6005-2RSH (SKF)
радиальный шарикоподшипник из нержавеющей стали W 6005-2Z (SKF)
радиальный шарикоподшипник из нержавеющей стали W 6005-2RS1 (SKF)
радиальный шарикоподшипник из нержавеющей стали W 6005-2RZ (SKF)