Главная > Подшипники> Роликовые > Радиально-упорные>677/673SA

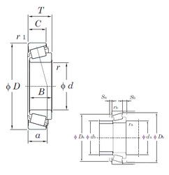
677/673SA — Подшипник роликовый радиально-упорный, импортное производство по ISO стандарту, размер 85x146x41 номер основного исполнения .
Производитель: KOYO.
S = смазочный паз и три отверстия в наружном кольце подшипника.
Цена по запросу
Цена на подшипник зависит от:
Габаритные размеры
Размеры и геометрические характеристики
Нагрузка и ресурс
Защита
Коэффициенты для расчета
Присоединительные размеры
Конструкция и исполнение
Конический роликоподшипник 4T-665/653 (NTN)
Однорядный конический роликовый подшипник 665/653 (CX, FBJ, ISO, KOYO, NIS)
Однорядный конический роликовый подшипник 665A/653 (CX, FBJ, ISO, KOYO, NIS)
Конический роликоподшипник 665X/653 (TIMKEN)