Главная > Подшипники> Роликовые > Радиально-упорные>665A/653

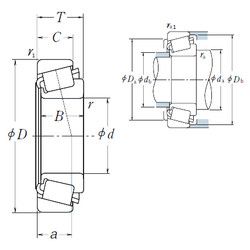
665A/653 — Однорядный конический роликовый подшипник, импортное производство по ISO стандарту, размер 85x146x41 номер основного исполнения .
Производится брендами: CX, FBJ, ISO, KOYO, NIS, NSK, TIMKEN.
A = внутренняя модификация конструкции.
Цена от:1 563 р.
Цена на подшипник зависит от:
Габаритные размеры
Размеры и геометрические характеристики
Нагрузка и ресурс
Защита
Коэффициенты для расчета
Присоединительные размеры
Конструкция и исполнение
Прочие характеристики
Конический роликоподшипник 4T-665/653 (NTN)
Однорядный конический роликовый подшипник 665/653 (CX, FBJ, ISO, KOYO, NIS)
Конический роликоподшипник 665X/653 (TIMKEN)
Подшипник роликовый радиально-упорный 677/673SA (KOYO)