Главная > Подшипники> Роликовые > Радиально-упорные>6580R/6535

6580R/6535 — Подшипник роликовый радиально-упорный, импортное производство по ISO стандарту, размер 88x161x53 номер основного исполнения .
Производится брендами: KOYO, NACHI.
R = Наружное кольцо с фланцем .
Цена от:1 872 р.
Цена на подшипник зависит от:
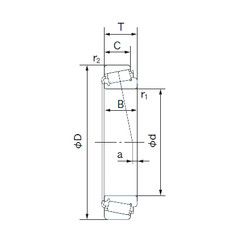
Габаритные размеры
Размеры и геометрические характеристики
Нагрузка и ресурс
Защита
Коэффициенты для расчета
Присоединительные размеры
Конструкция и исполнение
Однорядный конический роликовый подшипник 4T-6580/6535 (NTN)
Однорядный конический роликовый подшипник 6580/6536 (TIMKEN)
Однорядный конический роликовый подшипник 6580/6535 (CX, FBJ, Fersa, ISO, NACHI)