Главная > Подшипники> Роликовые > Радиально-упорные>6580/6535

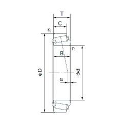
6580/6535 — Однорядный конический роликовый подшипник, импортное производство по ISO стандарту, размер 88x161x53 номер основного исполнения .
Производится брендами: CX, FBJ, Fersa, ISO, NACHI, NIS, NSK, TIMKEN.
Цена от:4 164 р.
Цена на подшипник зависит от:
Габаритные размеры
Размеры и геометрические характеристики
Нагрузка и ресурс
Защита
Коэффициенты для расчета
Присоединительные размеры
Конструкция и исполнение
Прочие характеристики
Однорядный конический роликовый подшипник 4T-6580/6535 (NTN)
Однорядный конический роликовый подшипник 6580/6536 (TIMKEN)
Подшипник роликовый радиально-упорный 6580R/6535 (KOYO, NACHI)