Главная > Однорядные >6314 DDU

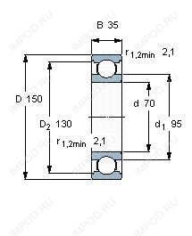
6314 DDU — Подшипник однорядный шариковый радиальный, импортное производство по ISO стандарту, размер 70x150x35 номер основного исполнения 6314.
Производитель: NSK.
DDU = резиновые уплотнения на каждой стороне подшипника.
Цена от:2 440 р.
Цена на подшипник зависит от:
| Обозначение | Модификация |
|---|---|
| 6314 | Основное конструктивное исполнение. |
| M6314 | |
| 6314UU | Резиновое уплотнение на каждой стороне подшипника. |
| 6314-Z | Металлический экран с одной стороны. |
| 6314D2 | D = профиль наружного кольца, усовершенствованный, с увеличенной зоной несущей нагрузки и оптимизированными краевыми переходами. |
| 6314 N | N = Канавка под стопорное кольцо в наружном кольце |
| 6314BI | B = однокомпонентное ребристое внутреннее кольцо. |
| 6314JT | T = Механически обработанный сепаратор из текстолита, центрируемый по телам качения. |
| 6314LB | LB - массивный сепаратор из лёгкого сплава, центрирование по внутреннему кольцу. |
| 6314LU | LU = RS1 (SKF) = шариковый подшипник с трущим уплотнением с одной стороны. Уплотнение обычно состоит из шайбы из листовой стали и прорезиненной ткани. |
| 6314VV | V = Увеличенная грузоподъемность, внутренняя модификация конструкции. |
| 6314EE | Е = Увеличенная грузоподъемность. |
| 6314DD | DD = резиновые уплотнения на каждой стороне подшипника. |
| 6314 M | M = массивный латунный сепаратор. |
| 6314ZE | Е = Увеличенная грузоподъемность. |
| 6314 NR | Стопорное кольцо и проточка под него в наружном кольце подшипника. |
| M6314ZZ | ZZ = Два металлических экрана. |
| 6314-RS | R = Наружное кольцо с фланцем . |
| 6314NSE | S = смазочный паз и три отверстия в наружном кольце подшипника. |
| 6314 C3 | C3 = Радиальный внутренний зазор больше нормального. |
| 6314 ZZ | ZZ = Два металлических экрана. |
| 6314ZZE | ZZ = Два металлических экрана. |
| 6314LLU | LLU = Резиновые уплотнения на каждой стороне подшипника. |
| 6314LLB | LLB = Уплотнение из синтетического каучука бесконтактного типа. |
| 6314-2Z | 2Z = Металлические шайбы с каждой стороны подшипника. |
| 6314NKE | К = Коническая посадка, конусность 1:12. |
| 6314ZENR | Стопорное кольцо и проточка под него в наружном кольце подшипника. |
| 6314-Z-N | Металлический экран с одной стороны. |
| 6314-RSR | R = Наружное кольцо с фланцем . |
| 6314-2RU | Манжетное бесконтактное уплотнение с обеих сторон. |
| 6314LBLU | LB - массивный сепаратор из лёгкого сплава, центрирование по внутреннему кольцу. |
| 6314ZZNR | ZZ = Два металлических экрана. NR = Стопорное кольцо Groove В наружном кольце подшипника и целесообразное стопорное кольцо. |
| 6314-RS1 | S1 = Кольца подшипника стабилизированы для рабочих температур до + 200 С. |
| 6314ZZD2 | ZZ = Два металлических экрана. |
| 6314-2RS | Резиновые уплотнения с каждой стороны подшипника. |
| 6314-Z-NR | Стопорное кольцо и проточка под него в наружном кольце подшипника. |
| 6314-2NSE | S = смазочный паз и три отверстия в наружном кольце подшипника. |
| 6314-2Z-N | 2Z = Металлические шайбы с каждой стороны подшипника. |
| 6314-2RSR | 2RSR = Резиновые уплотнения с каждой стороны подшипника. |
| 6314 2RS1 | Резиновые уплотнения с каждой стороны подшипника. |
| 6314 M.C3 | M = Цельный латунный сепаратор, с шариковой направляющей. C3 = Радиальный внутренний зазор подшипника больше, чем обычно. |
| 6314-2NKE | К = Коническая посадка, конусность 1:12. |
| E2.6314-2Z | Energy Efficient bearings. 2Z = Металлические шайбы с каждой стороны подшипника. |
| 6314/VA201 | V = Увеличенная грузоподъемность, внутренняя модификация конструкции. |
| 314 (6314) | |
| 6314/HC5C3 | C3 = Радиальный внутренний зазор больше нормального. |
| 6314-2Z-NR | 2Z = Металлические шайбы с каждой стороны подшипника. |
| 6314 RSR.C3 | C3 = Радиальный внутренний зазор больше нормального. |
| 6314 2RSR.C3 | 2RSR = Резиновые уплотнения с каждой стороны подшипника. |
| 6314-2Z/VA208 | 2Z = Закрыт с двух сторон шайбами из прессованной листовой стали. VA208 = Подшипник для высокотемпературных применений, температурный режим 350 градусовC |
Габаритные размеры
Размеры и геометрические характеристики
Нагрузка и ресурс
Защита
Коэффициенты для расчета
Присоединительные размеры
Конструкция и исполнение
Подшипник шариковый радиальный 6-314 (ГПЗ-3)
Однорядный цилиндрический роликовый подшипник NJ314 (CRAFT, FAG, FBJ, ISB, ISO)
Однорядный цилиндрический роликовый подшипник NU314 (CRAFT, FAG, FBJ, ISB, ISO)
Подшипник роликовый сферический 20314 (FAG, ISO)
Подшипник роликовый сферический 21314 (ISB, NTN, SKF)
Подшипник шариковый радиальный сферический двухрядный с цилиндрическим отверстием внутреннего кольца 1314 (ГПЗ-8)