Главная > Однорядные >624 2Z.CNM.GH76

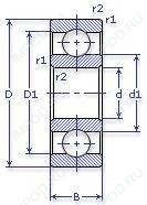
624 2Z.CNM.GH76 — импортное производство по ISO стандарту, размер 4x13x5 номер основного исполнения 624.
Производитель: FAG.
M = максимальная емкость, насечка для заполнения. G = стопорное кольцо Groove В наружном кольце подшипника и целесообразных стопорное кольцо.
Цена от:111 р.
Цена на подшипник зависит от:
| Обозначение | Модификация |
|---|---|
| 624 | Основное конструктивное исполнение. |
| S624 | |
| 624H | H = высокая, узкая каретка для двухрядного шарикоподшипника и направляющей в сборе. |
| W624 | |
| F624 | |
| SF624 | |
| 624-Z | Металлический экран с одной стороны. |
| 624EE | Е = Увеличенная грузоподъемность. |
| F624H | H = высокая, узкая каретка для двухрядного шарикоподшипника и направляющей в сборе. |
| FL624 | |
| NC624 | |
| 624 2Z | 2Z = Металлические шайбы с каждой стороны подшипника. |
| 624 ZZ | ZZ = Два металлических экрана. |
| SS 624 | |
| 624-RS | R = Наружное кольцо с фланцем . |
| 624HZZ | ZZ = Два металлических экрана. |
| FL624Z | Металлический экран с одной стороны. |
| S624-2Z | 2Z = Металлические шайбы с каждой стороны подшипника. |
| 624-2RS | Резиновые уплотнения с каждой стороны подшипника. |
| 624-2RU | Манжетное бесконтактное уплотнение с обеих сторон. |
| W 624 R | R = Наружное кольцо с фланцем . |
| W624-2Z | 2Z = Металлические шайбы с каждой стороны подшипника. |
| F-624ZZ | ZZ = Два металлических экрана. |
| F624-2Z | 2Z = Металлические шайбы с каждой стороны подшипника. |
| F624HZZ | ZZ = Два металлических экрана. |
| FL624ZZ | ZZ = Два металлических экрана. |
| 624 2RS1 | Резиновые уплотнения с каждой стороны подшипника. |
| S624-2RS | Резиновые уплотнения с каждой стороны подшипника. |
| SF624-2Z | 2Z = Металлические шайбы с каждой стороны подшипника. |
| 624-2RSR | 2RSR = Резиновые уплотнения с каждой стороны подшипника. |
| 624H-2RS | Резиновые уплотнения с каждой стороны подшипника. |
| F624-2RS | Резиновые уплотнения с каждой стороны подшипника. |
| 624 2Z.C3 | C3 = Радиальный внутренний зазор больше нормального. |
| SF624-2RS | Резиновые уплотнения с каждой стороны подшипника. |
| SS 624-ZZ | ZZ = Два металлических экрана. |
| W624-2RS1 | Резиновые уплотнения с каждой стороны подшипника. |
| F624H-2RS | Резиновые уплотнения с каждой стороны подшипника. |
| 624/HR22Q2 | Q = тихий ход работы подшипника. |
| 624/HR11QN | Q = тихий ход работы подшипника. |
| SS 624-2RS | Резиновые уплотнения с каждой стороны подшипника. |
| 624/HR22T2 | R = Наружное кольцо с фланцем . |
| W 624 R-2Z | 2Z = Металлические шайбы с каждой стороны подшипника. |
| 624/HR11TN | TN = Полиамидная клетка. |
| 624 2RSR.C3 | 2RSR = Резиновые уплотнения с каждой стороны подшипника. |
| SV 624 ZZST | ZZ = Два металлических экрана. S = смазочная канавка и три отверстия в наружном кольце подшипника. T = Механически обработанный сепаратор из текстолита, центрируемый по телам качения |
| W 624 R-2RS1 | Резиновые уплотнения с каждой стороны подшипника. |
| SE 624 ZZSTPR | ZZ = Два металлических экрана. S = смазочная канавка и три отверстия в наружном кольце подшипника. T = Механически обработанный сепаратор из текстолита, центрируемый по телам качения |
| 624-2Z.T9H.C3 | C3 = Радиальный внутренний зазор больше нормального. |
| SE 624 ZZSTPRB | ZZ = Два металлических экрана. S = смазочная канавка и три отверстия в наружном кольце подшипника. T = Механически обработанный сепаратор из текстолита, центрируемый по телам качения |
| SE 624 ZZSTMG3 | ZZ = Два металлических экрана. S = смазочная канавка и три отверстия в наружном кольце подшипника. T = Механически обработанный сепаратор из текстолита, центрируемый по телам качения |