Главная > Однорядные >6211 2RSR.C3

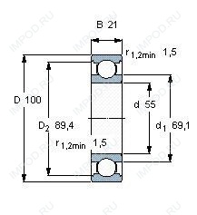
6211 2RSR.C3 — Подшипник однорядный шариковый радиальный, импортное производство по ISO стандарту, размер 55x100x21 номер основного исполнения 6211.
Производитель: FAG.
2RSR = Резиновые уплотнения с каждой стороны подшипника.
Цена от:403 р.
Цена на подшипник зависит от:
| Обозначение | Модификация |
|---|---|
| 6211 | Основное конструктивное исполнение. |
| 6211N | N = Канавка под стопорное кольцо в наружном кольце |
| 6211K | К = Коническая посадка, конусность 1:12. |
| M6211 | |
| S6211 | |
| 6211E | Е = Увеличенная грузоподъемность. |
| 6211LU | LU = RS1 (SKF) = шариковый подшипник с трущим уплотнением с одной стороны. Уплотнение обычно состоит из шайбы из листовой стали и прорезиненной ткани. |
| 6211LB | LB - массивный сепаратор из лёгкого сплава, центрирование по внутреннему кольцу. |
| 6211-Z | Металлический экран с одной стороны. |
| 6211EE | Е = Увеличенная грузоподъемность. |
| 6211ZE | Е = Увеличенная грузоподъемность. |
| 6211DD | DD = резиновые уплотнения на каждой стороне подшипника. |
| 6211UU | Резиновое уплотнение на каждой стороне подшипника. |
| 6211VV | V = Увеличенная грузоподъемность, внутренняя модификация конструкции. |
| 6211D2 | D = профиль наружного кольца, усовершенствованный, с увеличенной зоной несущей нагрузки и оптимизированными краевыми переходами. |
| 6211BI | B = однокомпонентное ребристое внутреннее кольцо. |
| 6211 M | M = массивный латунный сепаратор. |
| 6211LLB | LLB = Уплотнение из синтетического каучука бесконтактного типа. |
| 6211 ZZ | ZZ = Два металлических экрана. |
| 6211-2Z | 2Z = Металлические шайбы с каждой стороны подшипника. |
| 6211NRZ | Стопорное кольцо и проточка под него в наружном кольце подшипника. |
| 6211ZNR | Стопорное кольцо и проточка под него в наружном кольце подшипника. |
| 6211KEE | К = Коническая посадка, конусность 1:12. |
| 6211-RS | R = Наружное кольцо с фланцем . |
| 6211LLU | LLU = Резиновые уплотнения на каждой стороне подшипника. |
| 6211NSE | S = смазочный паз и три отверстия в наружном кольце подшипника. |
| 6211ZZE | ZZ = Два металлических экрана. |
| 6211NKE | К = Коническая посадка, конусность 1:12. |
| M6211ZZ | ZZ = Два металлических экрана. |
| 6211DDU | DDU = резиновые уплотнения на каждой стороне подшипника. |
| 6211 TB | ТВ = текстолитовый сепаратор, центрируемый по внутреннему кольцу. |
| SS 6211 | |
| 6211 NR | Стопорное кольцо и проточка под него в наружном кольце подшипника. |
| 6211-2RS | Резиновые уплотнения с каждой стороны подшипника. |
| 6211-2RD | R = Наружное кольцо с фланцем . |
| 6211-Z-N | Металлический экран с одной стороны. |
| 6211-RS1 | S1 = Кольца подшипника стабилизированы для рабочих температур до + 200 С. |
| 6211-RS2 | S2 = Кольца подшипника стабилизированы для рабочих температур до + 250 С. |
| 6211ZENR | Стопорное кольцо и проточка под него в наружном кольце подшипника. |
| 6211F604 | F604 = (Сегментное уплотнение, код 2Z + сегментный нагреватель, код 4) = высокая температура, двухстороннее уплотнение, специальная смазка, для применения до 350 градусов C. |
| 6211NRZZ | ZZ = Два металлических экрана. |
| 6211-2RU | Манжетное бесконтактное уплотнение с обеих сторон. |
| 6211F600 | Механически обработанный сепаратор из стали или чугуна, центрируемый по телам качения. |
| 6211-2NSE | S = смазочный паз и три отверстия в наружном кольце подшипника. |
| 6211-2RSR | 2RSR = Резиновые уплотнения с каждой стороны подшипника. |
| 6211-2NKE | К = Коническая посадка, конусность 1:12. |
| 6211-2Z-N | 2Z = Металлические шайбы с каждой стороны подшипника. |
| 6211LLUNR | LLU = Резиновые уплотнения на каждой стороне подшипника. |
| 6211-2RS1 | Резиновые уплотнения с каждой стороны подшипника. |
| 6211-2RS2 | Резиновые уплотнения с каждой стороны подшипника. |
Габаритные размеры
Конструкция и исполнение
Однорядный цилиндрический роликовый подшипник NU211 (CRAFT, FAG, FBJ, ISB, ISO)
Подшипник шариковый радиальный 6-211 (ГПЗ-3)
Подшипник шариковый радиальный 4-211 (ГПЗ-3)
Подшипник роликовый сферический 20211 (FAG, ISO)
однорядный радиальный шарикоподшипник с пазом для ввода шариков 211
Подшипник шариковый радиальный сферический двухрядный с цилиндрическим отверстием внутреннего кольца 1211