Главная > Однорядные >6209 2RS.P5

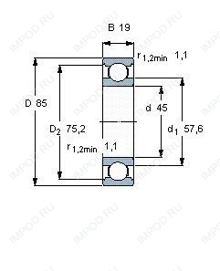
6209 2RS.P5 — импортное производство по ISO стандарту, размер 45x85x19 номер основного исполнения 6209.
Производитель: FAG.
Резиновые уплотнения с каждой стороны подшипника.
Цена от:330 р.
Цена на подшипник зависит от:
| Обозначение | Модификация |
|---|---|
| 6209 | Основное конструктивное исполнение. |
| 6209Z | Металлический экран с одной стороны. |
| 6209E | Е = Увеличенная грузоподъемность. |
| M6209 | |
| 6209K | К = Коническая посадка, конусность 1:12. |
| S6209 | |
| 6209UU | Резиновое уплотнение на каждой стороне подшипника. |
| 6209ZE | Е = Увеличенная грузоподъемность. |
| 6209LU | LU = RS1 (SKF) = шариковый подшипник с трущим уплотнением с одной стороны. Уплотнение обычно состоит из шайбы из листовой стали и прорезиненной ткани. |
| 6209EE | Е = Увеличенная грузоподъемность. |
| W 6209 | |
| 6209DD | DD = резиновые уплотнения на каждой стороне подшипника. |
| 6209 N | N = Канавка под стопорное кольцо в наружном кольце |
| 6209LB | LB - массивный сепаратор из лёгкого сплава, центрирование по внутреннему кольцу. |
| 6209BI | B = однокомпонентное ребристое внутреннее кольцо. |
| 6209VV | V = Увеличенная грузоподъемность, внутренняя модификация конструкции. |
| 6209-2Z | 2Z = Металлические шайбы с каждой стороны подшипника. |
| 6209ZZE | ZZ = Два металлических экрана. |
| 6209NKE | К = Коническая посадка, конусность 1:12. |
| AC-6209 | |
| 6209-RS | R = Наружное кольцо с фланцем . |
| 6209DDU | DDU = резиновые уплотнения на каждой стороне подшипника. |
| EC-6209 | |
| 6209L11 | L = массивный сепаратор из лёгкого сплава. |
| M6209ZZ | ZZ = Два металлических экрана. |
| 6209 TB | ТВ = текстолитовый сепаратор, центрируемый по внутреннему кольцу. |
| 6209LLU | LLU = Резиновые уплотнения на каждой стороне подшипника. |
| 6209NRZ | Стопорное кольцо и проточка под него в наружном кольце подшипника. |
| SS 6209 | |
| 6209NSE | S = смазочный паз и три отверстия в наружном кольце подшипника. |
| 6209LLB | LLB = Уплотнение из синтетического каучука бесконтактного типа. |
| 6209KEE | К = Коническая посадка, конусность 1:12. |
| 6209LLH | LL = Лабиринтные уплотнения с обеих сторон (уплотнение L-типа - все части уплотнения L-типа покрыты цинком с всех сторон для улучшения защиты от коррозии - без трения уплотнения ). H = Штампованный защелкивающийся стальной сепаратор, закаленный. |
| 6209 ZZ | ZZ = Два металлических экрана. |
| 6209 NR | Стопорное кольцо и проточка под него в наружном кольце подшипника. |
| 6209T1X | T = Механически обработанный сепаратор из текстолита, центрируемый по телам качения. |
| 6209SEE | S = смазочный паз и три отверстия в наружном кольце подшипника. |
| 6209-2RD | R = Наружное кольцо с фланцем . |
| 6209ZENR | Стопорное кольцо и проточка под него в наружном кольце подшипника. |
| 6209HVZZ | ZZ = Два металлических экрана. |
| 6209-Z-N | Металлический экран с одной стороны. |
| 6209-RS1 | S1 = Кольца подшипника стабилизированы для рабочих температур до + 200 С. |
| S6209-2Z | 2Z = Металлические шайбы с каждой стороны подшипника. |
| 6209-RS2 | S2 = Кольца подшипника стабилизированы для рабочих температур до + 250 С. |
| 6209-2RU | Манжетное бесконтактное уплотнение с обеих сторон. |
| 6209-2RS | Резиновые уплотнения с каждой стороны подшипника. |
| 6209NREE | Стопорное кольцо и проточка под него в наружном кольце подшипника. |
| 6209NRZZ | ZZ = Два металлических экрана. |
| 6209F604 | F604 = (Сегментное уплотнение, код 2Z + сегментный нагреватель, код 4) = высокая температура, двухстороннее уплотнение, специальная смазка, для применения до 350 градусов C. |
| W6209-ZZ | ZZ = Два металлических экрана. |
Габаритные размеры
Конструкция и исполнение
Однорядный цилиндрический роликовый подшипник NJ209 (CRAFT, FAG, FBJ, ISB, ISO)
Однорядный цилиндрический роликовый подшипник NU209 (CRAFT, FAG, FBJ, ISB, ISO)
Подшипник шариковый радиальный 6-209
Подшипник шариковый радиальный 4-209 (ГПЗ-1)
Подшипник роликовый сферический 20209 (FAG, ISO, SIGMA)